Colores de la tienda

Aquí tienes algunos colores increíbles disponibles en la plantilla de la tienda online.

Zoom: 100%
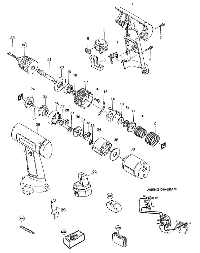
Housing Set, 6223dwe 182961-7 1Tapping Screw 4x18, Bo4556k 265995-6 3P.h. Screw M4x22, 6211d 911143-2 4Switch, 6903vd 651909-5 5Lever, 6222dwe 414740-8 6Battery Holder, Da392d 643909-9 7Switch Lever, 6222dwe-t1 414708-4 8Switch Lever, 6201dw 415671-4 8Compression Spring 27, 6222dwe 233044-7 9Compression Spring, 6222dwe 233196-4 10Washer 10, 6222dwe 267705-7 11T.n.gauge 1023,6222dwe 216401-4 12F. Washer 10, 6906 253180-3 13Slider, 6222dwe 165087-0 14Cam Plate, 6222dwe 344131-8 15Pan Head Screw M3x14, 6222dwe 911023-2 16Change Ring, 6222dwe 415515-8 17Stop Ring E-9, Bo5021 961015-1 18Replacement Ball Bearing - 2 X Seal, Id 10 Mm X Od 26 Mmx W 8 Mm Bosch 1900905173, Porter Cable 893212, Milwaukee 02-04-1020, Makita 211061-7 (2pcs/pk) SE 6000-2RS-D 19Replaced By 211097-6 - B. Bearing 6000-2rs, 6222dwe 211061-7 19Replaces 211061-7 - Ball Bearing 6000llb, 5740nb 211097-6 19Bearing Retainer 14, 6223dwe 285678-2 20Spindle, 6222dwe 322880-7 21P.h. Screw M5x22, Da391dw 251451-2 23Clutch Cam, 6222dwe 223115-8 24Clutch Cam Complete,6222dwe 153229-8 25Ball Bearing 6805llb,6222dwe 211375-4 26Spur Gear 15, 6222dwe 226284-4 27Spur Gear 15, 6222dwe 226284-4 28Spur Gear 15, 6222dwe 226284-4 29Spur Gear 9 Complete,6222dwe 153228-0 30Spur Gear 15, 6222dwe 226283-6 31Spur Gear 15, 6222dwe 226283-6 32Spur Gear 15, 6222dwe 226283-6 33Internal Gear 42,6222dwe 226285-2 34Flat Washer 12, 6222dwe 267067-3 35Dc Motor 629720-3 36Dc Motor,6223d 629781-3 36Steel Ball 5.6, 6222dwe 216011-7 37Housing Set, 6223dwe 182961-7 38Set Plate, 6211d 343579-1 39Battery 1220 192681-5 400Battery Cover, 6222dwe 414938-7 403Keyless Chuck 113119-7 404Keyless Chuck Da391d T1 763083-8 405Plastic Carrying Case, 6223dwe 824510-1 406
Página 1

Página 1


1
Imagen
Existencias
0
3
Imagen
Existencias
222
2.32
4
Imagen
Existencias
74
2.32
5
Imagen
Existencias
38
842.16
6
Imagen
Existencias
19
26.68
7
Imagen
Existencias
0
48.72
8
Imagen
Existencias
0
8
Imagen
Existencias
37
9.28
10
Imagen
Existencias
0
11
Imagen
Existencias
0
12
Imagen
Existencias
0
13
Imagen
Existencias
0
14
Imagen
Existencias
0
15
Imagen
Existencias
0
17
Imagen
Existencias
0
18
Imagen
Existencias
0
21
Imagen
Existencias
0
23
Imagen
Existencias
0
6.96
24
Imagen
Existencias
0
25
Imagen
Existencias
0
27
Imagen
Existencias
0
28
Imagen
Existencias
0
29
Imagen
Existencias
0
31
Imagen
Existencias
0
32
Imagen
Existencias
0
33
Imagen
Existencias
0
34
Imagen
Existencias
0
35
Imagen
Existencias
2
5.80
36
Imagen
Existencias
0
36
Imagen
Existencias
0
37
Imagen
Existencias
17
2.32
38
Imagen
Existencias
0
39
Imagen
Existencias
0
31.32
400
Imagen
Existencias
0
403
Imagen
Existencias
0
404
Imagen
Existencias
0
405
Imagen
Existencias
0

Ocurrió un problema de conexión. Vuelve a cargar la página o revisa tu conexión.