Colores de la tienda

Aquí tienes algunos colores increíbles disponibles en la plantilla de la tienda online.

Zoom: 100%
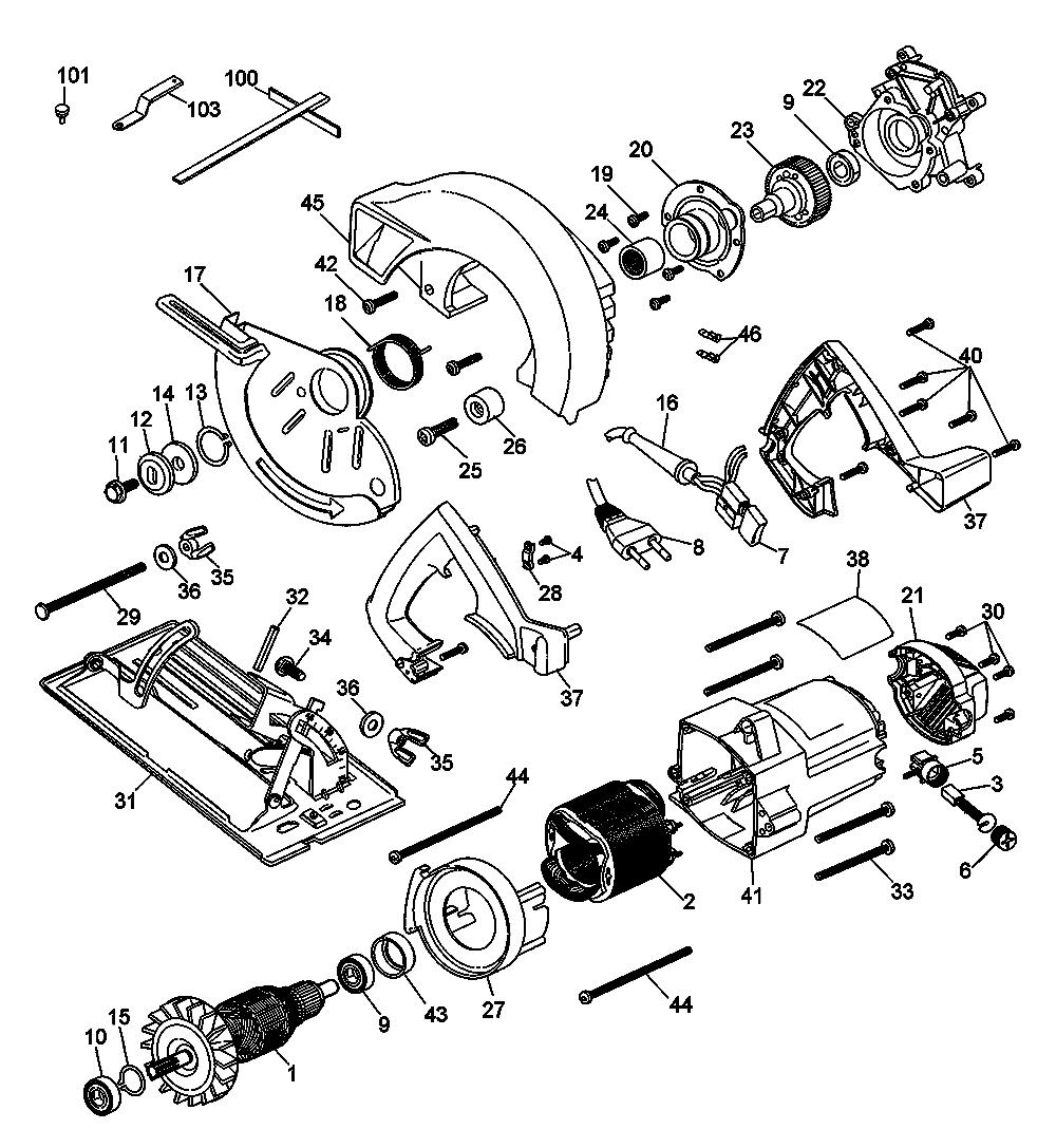
Armature Kit 186395-00 1Field 185438-00 2Japanese Carbon Brush Set Replaces Dewalt P/n 450374-12 450374-99 (2/pack) M11 3Brush & Spring 450374-12 3Screw 562097-00 4Holder,brush 448083-01 5Cap,brush 448084-01 6Switch,trigger 380772-00 7Cord 185713-00 8Replaces 854202 - Bearing,ball 330003-04 9Replaced By 605040-20 - Bearing,ball 330003-09 10Screw 70907-00 11Clamp,blade 142950-00 12Ring,retaining 133876-00 13Clamp,blade 142949-00 14Snap Ring 696060-00 15Protector,cord 330005-01 16Cord Protector Strain Relief Boot Replaces Dewalt 330005-01 Fits Ec14/2, Ec16/2, Ec16/3 And Ec18/3 Cords 10 Per Pack Boot-DW-10PK 16Cord Protector Strain Relief Boot Replaces Dewalt 330005-01 Fits Ec14/2, Ec16/2, Ec16/3 And Ec18/3 Cords Boot-DW 16Lower Guard 646470-00 17Guard Spring 187610-00 18Screw 158472-00 19Cover,gear Case 155455-00 20Cap,end 449460-01 21Case,gear 153170-00 22Spindle & Gear 155461-02 23Bearing,roller 70473-00 24Screw 131890-00 25Guard Bumper 131982-00 26Baffle 155453-00 27Bolt 679139-00 29Shoe 95100-19 31Pin 695197-00 32Bolt 38910-00 34Wing Nut 090914-00 35Flat Washer 5130830-00 36Clamshell Hdl 385668-07 37Name Plate 185215-00 38Screw 330019-14 40Case,field 155452-00 41Delta 399729-00 42Sleeve 445217-02 43Screw,plastite 144461-00 44Upper Guard 188515-00 45Rip Fence 87118-00 100Screw 73199-00 101Wrench N035355 103
Página 1

Página 1


1
Imagen
Existencias
0
2
Imagen
Existencias
0
3
Imagen
Existencias
0
4
Imagen
Existencias
0
5
Imagen
Part # 44808301
Existencias
130
114.84
6
Imagen
Part # 44808401
Existencias
0
42.92
7
Imagen
Part # 38077200
Existencias
48
70.76
8
Imagen
Existencias
0
9
Imagen
Existencias
0
67.28
10
Imagen
Existencias
3
70.76
11
Imagen
Existencias
0
12
Imagen
Existencias
0
13
Imagen
Existencias
0
14
Imagen
Existencias
0
15
Imagen
Part # 69606000
Existencias
0
16
Imagen
Part # 33000501
Existencias
0
8.12
17
Imagen
Existencias
0
18
Imagen
Existencias
0
19
Imagen
Existencias
0
20
Imagen
Existencias
0
21
Imagen
Existencias
0
22
Imagen
Existencias
0
23
Imagen
Existencias
0
24
Imagen
Existencias
0
25
Imagen
Existencias
0
26
Imagen
Existencias
0
27
Imagen
Existencias
0
29
Imagen
Existencias
0
31
Imagen
Existencias
0
32
Imagen
Existencias
0
34
Imagen
Existencias
0
35
Imagen
Existencias
0
36
Imagen
Part # 513083000
Existencias
0
16.24
37
Imagen
Existencias
0
38
Imagen
Existencias
0
40
Imagen
Existencias
0
41
Imagen
Existencias
0
42
Imagen
Existencias
0
43
Imagen
Part # 44521702
Existencias
13
13.92
44
Imagen
Existencias
0
45
Imagen
Existencias
0
100
Imagen
Existencias
0
101
Imagen
Existencias
0
103
Imagen
Existencias
0

Ocurrió un problema de conexión. Vuelve a cargar la página o revisa tu conexión.