Colores de la tienda

Aquí tienes algunos colores increíbles disponibles en la plantilla de la tienda online.

Zoom: 100%
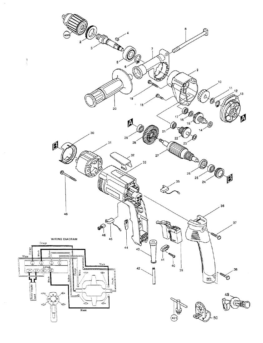
Drill Chuck S13 Set 193229-6 1Bearing Retainer 22-36, 5008fa 285807-7 2Spindle, Dp4002 324039-2 3Key 4, 9924db 254202-2 4B. Bearing 6202llb, Nhp1310 211206-7 5Retaining Ring S-15, 5007f 961055-9 6Grip Base, Dp4000 317401-8 7Bolt M8x130, Dp3003 266261-4 8Gear Housing, Dp4002 317397-3 9Heical Gear 26, Dp4002 226529-0 10Flat Washer 11, Btd060z 267143-3 11Retaining Ring S-11, Dp4000 961051-7 12Gear Housing Cover Cpl., Dp4002 152639-6 13F. Washer 6, 6012hdw 253804-1 14Gear Complete 7-36, Dp4002 226138-5 15F. Washer 7, Dp4000 253133-2 16Replaces 210034-7 - Ball Bearing 607llb, Ls1013 211021-9 17P.t. Screw 4x30, 4304 266050-7 18T. Screw Flange Pt4x45 Hr2410 266069-6 19Ball Bearing 606zz, Hr2410 211012-0 21Gear Complete 16-34, Dp4002 226139-3 22F. Washer 6, 6012hdw 253804-1 23Rubber Ring 19, Jn1601 421479-6 24Replaces 210034-7 - Ball Bearing 607llb, Ls1013 211021-9 25Insulation Washer, Ga4030 681636-0 26Armature Assy 115v, Dp4002 517356-9 27Fan 55, 6922nb 241873-4 28Replaces 211033-2 - Ball Bearing 608llb, 9227c 211031-6 29Replacement Ball Bearing - 2 X Shield, Id 8 Mm X Od 22 Mmx W 7 Mm Makita 211031-6, 211033-2, Delta 1346630, Dewalt 330003-60, Porter Cable 843002, Metabo 143115180, Bosch 2610017348, Milwaukee 02-04-0 29Baffle Plate, Dp4002 417356-8 30Field 115v, Dp4002 633466-5 31Hook, 6823-t1 416996-9 32Hook, 6827 417625-7 32Motor Housing Set, Dp4000,dp4002 183270-7 33Brush Holder, 6824 643951-0 35Handle Cover Cpl., Dp3003 152641-9 36Tapping Screw M4x25, Hm1800 265999-8 37Tapping Screw M4x25, Hm1800 265999-8 38Switch, Dp4002 651991-4 39Tapping Screw 4x18, Bo4556k 265995-6 40Strain Relief, 4323k 687063-9 41Cord (2x18x8 Sj), Bo4556 664064-4 42Cord Guard 8, 6824 682559-5 43Slide Lever, Dp3003 417358-4 44Brush Holder, 6823 643948-9 45Carbon Brush Set Cb-407, Bo5030k 191927-6 46Carbon Brush Set, 195007-0 CB407 46Tapping Screw 4x65, Hp2030 266060-4 48Gasket, Dp4000 442134-7 49
Página 1

Página 1


1
Imagen
Existencias
0
3
Imagen
Existencias
0
4
Imagen
Part # 2542022
Existencias
4
5.80
5
Imagen
Existencias
0
141.52
6
Imagen
Existencias
0
3.48
7
Imagen
Existencias
0
8
Imagen
Existencias
0
9
Imagen
Existencias
0
10
Imagen
Existencias
0
11
Imagen
Existencias
0
12
Imagen
Existencias
0
14
Imagen
Existencias
20
2.32
15
Imagen
Existencias
0
16
Imagen
Existencias
0
18
Imagen
Existencias
27
3.48
19
Imagen
Existencias
50
5.80
21
Imagen
Existencias
0
22
Imagen
Existencias
0
23
Imagen
Existencias
20
2.32
24
Imagen
Existencias
2
53.36
26
Imagen
Existencias
23
4.64
27
Imagen
Existencias
0
28
Imagen
Existencias
0
29
Imagen
Existencias
0
48.72
30
Imagen
Existencias
0
31
Imagen
Existencias
0
32
Imagen
Existencias
0
32
Imagen
Existencias
0
35
Imagen
Existencias
0
36
Imagen
Existencias
0
37
Imagen
Existencias
126
2.32
38
Imagen
Existencias
126
2.32
39
Imagen
Existencias
0
40
Imagen
Existencias
222
2.32
41
Imagen
Existencias
70
3.48
42
Imagen
Existencias
0
354.96
43
Imagen
Existencias
28
19.72
44
Imagen
Existencias
0
45
Imagen
Existencias
0
46
Imagen
Existencias
0
76.56
46
Imagen
Existencias
0
48
Imagen
Existencias
0
49
Imagen
Existencias
0
0
Imagen
Existencias
0
0
Imagen
Existencias
0
0
Imagen
Existencias
0
91.64
0
Imagen
Existencias
40
2.32
3
Imagen
Existencias
0
4
Imagen
Existencias
0
47
Imagen
Existencias
0

Ocurrió un problema de conexión. Vuelve a cargar la página o revisa tu conexión.