Colores de la tienda

Aquí tienes algunos colores increíbles disponibles en la plantilla de la tienda online.

Zoom: 100%
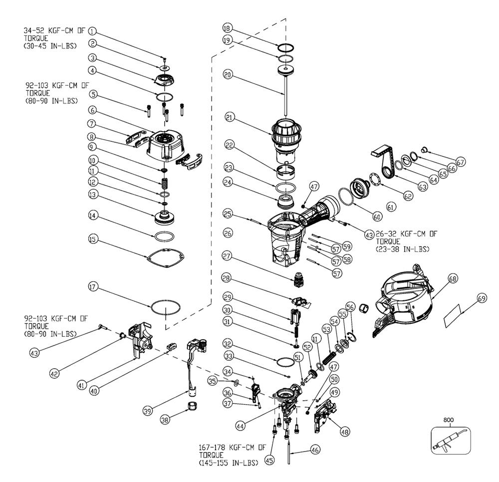
Screw-sfhcs-m4x0.7x1 174041 1Spacer-exhaust Cover 174042 2Cover-exhaust 174043 3O-ring-41.0mmx1.78mm 174044 4Screw-shcs-m5x0.80x3 175554 5Cap 9R207485 6Bracket-rubber Pad 174046 7Pad-rubber 174045 8Seal-deflector 174049 9Spring-compression 174051 10O-ring-20.8mmx2.4mm 174053 11Washer-special 174052 12Aftermarket Piston Head Valve For Bostitch Mcn150 / Mcn250 / N66 / Cf15 / N75, Dewalt Dw66 / Dwmc150 SP 174054 13Piston-head Valve 174054 13O-ring-44.7mmx3.5mm 174055 14Gasket-frame/deflect 174050 15Gasket - Frame / Deflect For Dewalt N66c-1, N66bc-1, N75c-1, Cf15, Mcn150, Mcn250, Mcn250s (premium Quality) SP 174050Q 15Seal Ring P2320006600 18O-ring S06S003600 19Aftermarket O-ring For Bostitch (2pcs/pack) SP S06S003600 19Aftermarket Piston Driver Assembly Without O-ring For Bostitch N66c /n66c-1 & Dewalt Dw66c-1 - Us S7 Material SP G0209200U 20Driver Unit G0209200 200-ring 86460 23Bumper-piston Stop 174075 24Stepped Pin 174062 25Frame 9R207421 26Replaces Tva5 - Kit-trigger Valve TVA6 27Assembly-c.t.trigger 107581 28Safety Guide 9R199740 29Spring P2325202662 30Spring Holder P2845203062 31O-ring 851483-S 32O-ring S06P000400 33O-ring S06A000500 34Washer P3490000200 35Assembly-feed Jaw/co G7600200 36Spring Pin P2325207562 37Replaces 9r207471 - No Mar Tip 9R213318 38Rubber Pad P2320005400 40Guard P2320005500 41Magazine Spacer P2325205662 42Nose P2840001065 44Socket Head Cap Scre 9R195545 45Door Pivot Pin P2325203662 46Nut-nylon Lock-m5x0. 174065 47Assembly-door 188721 48O-ring 184434 49O-ring S06P000300 50O-ring S06P000900 51Feed Piston P2325504962 52Spring P2325205062 53Feed Piston Bumper P2322005100 54Feed Piston Cover P2325205262 55C-ring S15202800 56Pin-spring-m3x30mm 174071 57O-ring 174073 58Pin-spring-m3x22mm 174070 59O-ring-45.7mmx2.62mm 174067 60Endcap 9R209578 61Seat Plate-hook 175582 62Hook 175583 63O-ring-21.9mmx2.62mm 175557 64Cap-hook 175585 65Ring-retaining 175586 66Caplug- 1/4 Tapered 86352 67Magazine Assembly 9R204213 68Warning Label 9R209321 69Replaced By 9r206705 - Lube (2cc) 100653 800Lube (1lb.can) 100679 800
Página 1

Página 1


1
Imagen
Existencias
0
10.44
2
Imagen
Existencias
0
15.08
3
Imagen
Part # 174043
Existencias
0
24.36
4
Imagen
Existencias
0
10.44
5
Imagen
Existencias
0
6.96
6
Imagen
Part #
Existencias
0
7
Imagen
Existencias
0
51.04
8
Imagen
Part # 174045
Existencias
0
16.24
9
Imagen
Part # 174049
Existencias
0
9.28
10
Imagen
Existencias
0
11
Imagen
Existencias
0
12
Imagen
Part # 174052
Existencias
0
8.12
13
Imagen
Existencias
0
100.92
14
Imagen
Existencias
0
15
Imagen
Existencias
0
18
Imagen
Existencias
0
19
Imagen
Existencias
0
20
Imagen
Existencias
0
23
Imagen
Part # 86460
Existencias
0
310.88
24
Imagen
Existencias
0
141.52
25
Imagen
Part # 174062
Existencias
0
10.44
26
Imagen
Existencias
0
27
Imagen
Existencias
0
308.56
28
Imagen
Existencias
0
29
Imagen
Existencias
0
30
Imagen
Existencias
0
31
Imagen
Existencias
0
32
Imagen
Existencias
0
33
Imagen
Existencias
0
34
Imagen
Existencias
0
35
Imagen
Existencias
0
36
Imagen
Existencias
0
37
Imagen
Existencias
0
40
Imagen
Existencias
0
41
Imagen
Existencias
0
42
Imagen
Existencias
0
44
Imagen
Existencias
0
45
Imagen
Existencias
0
46
Imagen
Existencias
0
47
Imagen
Existencias
0
48
Imagen
Part # 188721
Existencias
0
812.00
49
Imagen
Existencias
0
50
Imagen
Existencias
0
51
Imagen
Existencias
0
52
Imagen
Existencias
0
53
Imagen
Existencias
0
54
Imagen
Existencias
0
55
Imagen
Existencias
0
56
Imagen
Existencias
0
57
Imagen
Existencias
0
4.64
58
Imagen
Part # 174073
Existencias
0
9.28
59
Imagen
Existencias
0
11.60
60
Imagen
Existencias
0
61
Imagen
Existencias
0
62
Imagen
Existencias
0
10.44
63
Imagen
Part # 175583
Existencias
0
46.40
64
Imagen
Existencias
0
6.96
65
Imagen
Part # 175585
Existencias
0
11.60
66
Imagen
Part # 175586
Existencias
0
6.96
67
Imagen
Existencias
0
10.44
68
Imagen
Existencias
0
69
Imagen
Existencias
0
800
Imagen
Existencias
0
800
Imagen
Part # 100679
Existencias
0
1818.88

Ocurrió un problema de conexión. Vuelve a cargar la página o revisa tu conexión.