Colores de la tienda

Aquí tienes algunos colores increíbles disponibles en la plantilla de la tienda online.

Zoom: 100%
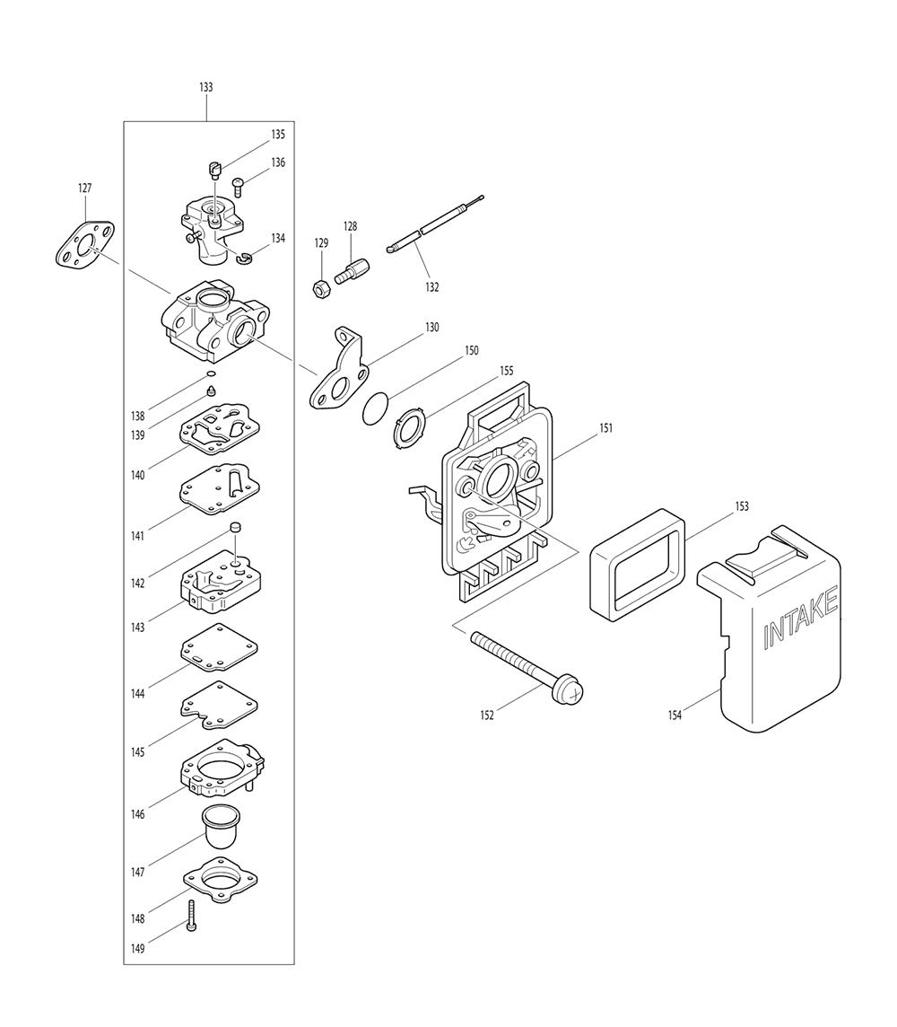
Caution Label 660-95086-00 2Nut M6 0151060000 3Rear Handle, Eh561 118-00300-00 4Switch 0005044004 5Screw M4x10 0112040100 6Cable Holder, Eh561 118-12100-00 7Screw M4x16(wsw) 0017040160 8Screw M4x30(wsw) 0017040300 9Stopper, Eh561 118-15100-00 10Spring 0003010004 11Lever, Eh561 118-11500-00 12Wire End, Eh561 118-11100-00 13Snap Ring 0280002500 14Lever Pin, Eh561 118-11200-00 15Spring, Eh561 118-11400-00 16Pin Cap, Eh561 118-11300-00 17Rear Handle (l), Eh561 118-15000-00 18Rear Handle (r), Eh561 118-14900-00 19Nut M4 0015004000 20Nut M6 0151060000 21Bolt M6x50 (wswpw) 0055060500 22Bolt M6x40, Ht2145d 005-50604-00 23Drum Cpl., Eh561 136-14100-00 24Flange Nut M5, A-89523 016-20500-00 25Flange Nut M5, A-89523 016-20500-00 26Plate 0325102004 27Upper Case 0325100002 28Bolt M6x15 0054060150 29Grease Nipple, En5550sh 055-00010-0R 30Grease Nipple M6, A-89523 005-50001-00 30Plate 0325103004 31Bolt M6x35, Ht2145d 005-40603-50 32Hex U-nut M6, En5550sh 164-06000-0K 34U-nut M6, A-89523 016-40600-00 34Screw M5x20 0011050205 35Blade Support Bar, Eh561 118-12600-00 36Upper Blade 6018505400 37Lower Blade Eh561 6018505500 38Screw L=19, A-89523 004-00020-09 39Blade Sliding Screw (l=19), En5550sh 040-00200-9A 39Blade Cover 0028002039 40Screw M6x22, En5550sh 0040003009 41Wave Washer, Ht2145d 022-90600-00 42Blade Sliding Washer, En5550sh 008-25000-00 43Screw M3x5 0010030050 44Rod Sliding Plate, Eh760 030-11000-00 45Felt 0325104004 46Bolt M5x16(wsw) 0054050160 47Bolt M5x16(wsw) 0054050160 49Lower Case 0325101002 50Snap Ring, Ht2162e 028-30260-00 52Crank Gear, Eh561 136-00300-00 53Bearing 608zz, En5550sh 353-00608-0K 54Ball Bearing Zz608, A-89523 035-30060-80 54Ball Bearing Uu6001, Ht2162e 035-40600-10 55Pinion Gear, Eh561 136-14200-00 56Bearing 608zz, En5550sh 353-00608-0K 57Ball Bearing Zz608, A-89523 035-30060-80 57
Página 1

Página 1

Página 2

Página 2

Página 3

Página 3


2
Imagen
Existencias
0
3
Imagen
Existencias
0
4
Imagen
Existencias
0
5
Imagen
Existencias
0
6
Imagen
Existencias
0
7
Imagen
Existencias
0
8
Imagen
Existencias
0
9
Imagen
Existencias
0
10
Imagen
Existencias
0
11
Imagen
Existencias
0
12
Imagen
Existencias
0
13
Imagen
Existencias
0
14
Imagen
Existencias
0
15
Imagen
Existencias
0
16
Imagen
Existencias
0
17
Imagen
Existencias
0
18
Imagen
Existencias
0
19
Imagen
Existencias
0
20
Imagen
Existencias
0
21
Imagen
Existencias
0
22
Imagen
Existencias
0
23
Imagen
Existencias
0
24
Imagen
Existencias
0
25
Imagen
Existencias
0
26
Imagen
Existencias
0
27
Imagen
Existencias
0
28
Imagen
Existencias
0
29
Imagen
Existencias
0
30
Imagen
Existencias
0
31
Imagen
Existencias
0
32
Imagen
Existencias
0
34
Imagen
Existencias
0
34
Imagen
Existencias
0
35
Imagen
Existencias
0
37
Imagen
Existencias
0
38
Imagen
Existencias
0
39
Imagen
Existencias
0
40
Imagen
Existencias
0
41
Imagen
Existencias
0
42
Imagen
Existencias
0
44
Imagen
Existencias
0
46
Imagen
Existencias
0
47
Imagen
Existencias
0
49
Imagen
Existencias
0
50
Imagen
Existencias
0
52
Imagen
Existencias
0
53
Imagen
Existencias
0
54
Imagen
Existencias
0
56
Imagen
Existencias
0
57
Imagen
Existencias
0
129
Imagen
Existencias
0
130
Imagen
Existencias
0
132
Imagen
Existencias
0
133
Imagen
Existencias
0
150
Imagen
Existencias
0
152
Imagen
Existencias
0
153
Imagen
Existencias
0
154
Imagen
Existencias
0
155
Imagen
Existencias
0
58
Imagen
Existencias
0
59
Imagen
Existencias
0
61
Imagen
Existencias
0
62
Imagen
Existencias
0
63
Imagen
Existencias
0
64
Imagen
Existencias
0
65
Imagen
Existencias
0
66
Imagen
Existencias
0
70
Imagen
Existencias
0
72
Imagen
Existencias
0
73
Imagen
Existencias
0
74
Imagen
Existencias
0
77
Imagen
Existencias
0
78
Imagen
Existencias
0
79
Imagen
Existencias
0
82
Imagen
Existencias
0
87
Imagen
Existencias
0
96
Imagen
Existencias
0
97
Imagen
Existencias
0
100
Imagen
Existencias
0
101
Imagen
Existencias
0
102
Imagen
Existencias
0
103
Imagen
Existencias
0
104
Imagen
Existencias
0
106
Imagen
Existencias
0
108
Imagen
Existencias
0
111
Imagen
Existencias
0
112
Imagen
Existencias
0
114
Imagen
Existencias
0
115
Imagen
Existencias
0
118
Imagen
Existencias
0
119
Imagen
Existencias
0
122
Imagen
Existencias
0
1
Imagen
Existencias
0

Ocurrió un problema de conexión. Vuelve a cargar la página o revisa tu conexión.