Colores de la tienda

Aquí tienes algunos colores increíbles disponibles en la plantilla de la tienda online.

Zoom: 100%
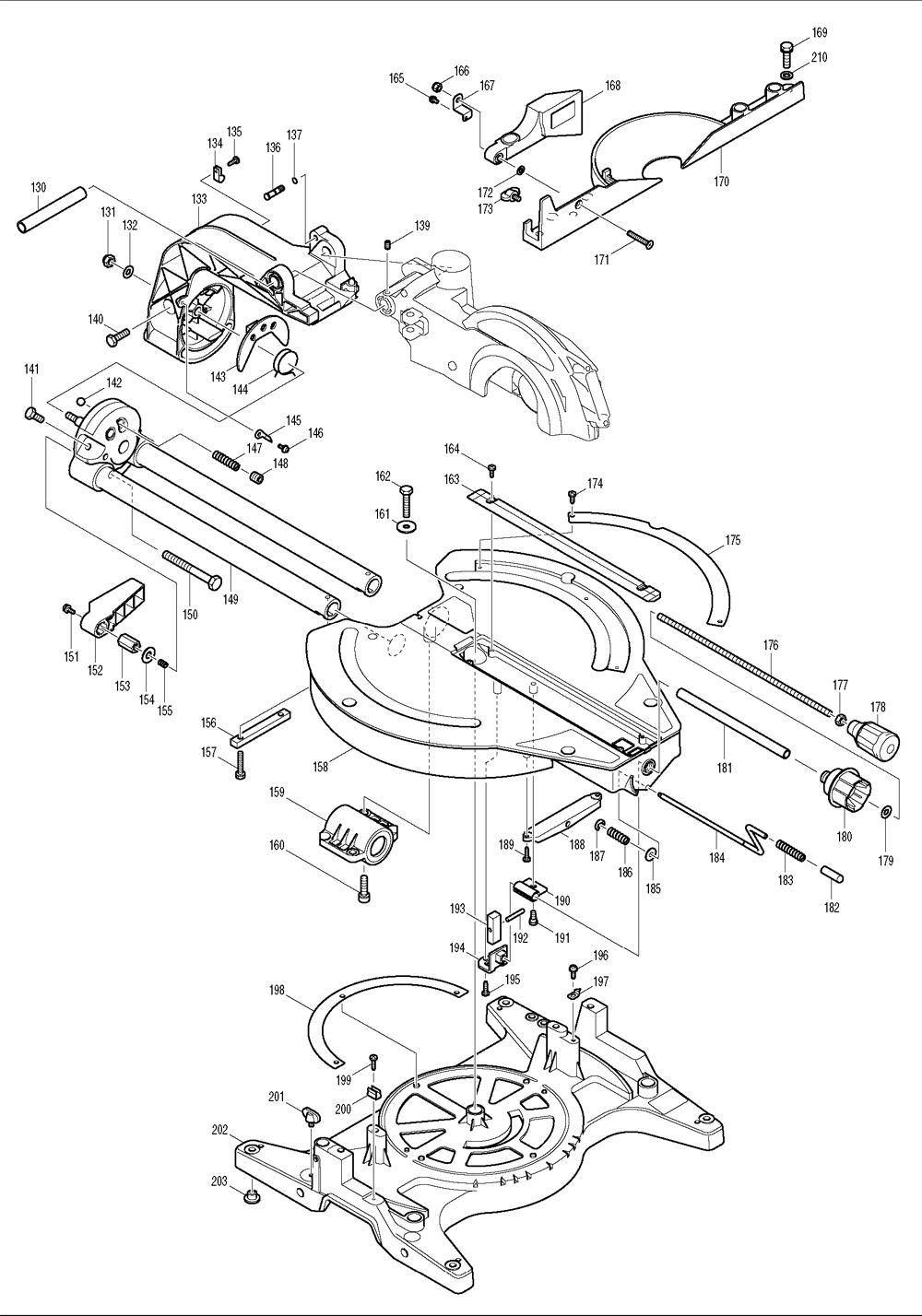
Tapping Screw 4x18, Bo4556k 265995-6 1Rear Cover, Ls1013 416075-3 2Tapping Screw 4x18, Bo4556k 265995-6 3Controller, Ls1013 631218-8 4P.h. Screw M6x50, Ls1013 911373-5 6Motor Housing Cpl., Ls1013l 154719-4 7Carbon Brush Set, Replacement Of 194986-9 CB154 8Japanese Carbon Brush Set Replaces Makita Cb-... K29 8Japanese Aftermarket Carbon Brush Set Replaces Makita (cb-154), 181047-4, 181048-2, 194986-9, 643152-0, 643153-8, 957805410 & 643154-6 - K42 K21 8Carbon Brush Set Cb-154, Uc3530a 194986-9 8Japanese Aftermarket Carbon Brush Set Replace... K42 8Brush Holder Cap, 5007nk 643650-4 9Name Plate, Ls1013fl 863030-0 10Field Ass'y 115v, Ls1013 596141-3 11T. Screw Flange Pt 5x65,jr3020 266029-8 12Baffle Plate, Ls1013 416107-6 13Replacement Ball Bearing - 2 X Seal, Id 10 Mm X Od 26 Mmx W 8 Mm Bosch 1900905173, Porter Cable 893212, Milwaukee 02-04-1020, Makita 211061-7 (2pcs/pk) SE 6000-2RS-D 14Replaces 211061-7 - Ball Bearing 6000llb, 5740nb 211097-6 14Replaced By 211097-6 - B. Bearing 6000-2rs, 6222dwe 211061-7 14Insulation Washer, Ls1016l 681642-5 15Armature Ass'y, Ls1013l 516926-1 16Fan 80, Ls1016l 240001-8 17P.h. Screw M5x16, 5007nk 911223-4 18Bearing Retainer 94, Ls1214fl 285686-3 19Ball Bearing 6003ddw, 5007nk 211275-8 20Ball Bearing 6003ddw, 5007mg 210301-0 20Retaining Ring S-17, Ls1016l 961057-5 21Ring Spring 8, Ls1013 231928-3 22Pin 6, Ls1016l 256633-1 23Comp. Spring 7, 2414b 231240-1 24Stop Ring E-5, Ls1011 961018-5 25F. Washer 6, 6012hdw 253804-1 26Ring 6, Ls1011 257163-5 27Link Plate, Ls1013l 345604-4 28H.s.h. Bolt M6x20, Ls1013 922331-6 29F. Washer 6, 6012hdw 253804-1 30Ring 6, Ls1011 257163-5 31Spring Holder, Ls1013 344464-1 32Compression Spring 28, Ls1013l 233461-1 33Switch Box Cpl.,ls1013fl 153523-8 46Switch Sle6a, Ls1013l 651522-9 47Switch Button, Ls1011 411478-6 48Handle Set, Ls1013l 183980-6 49Cord Guard, 2711 682505-8 50Cord Protector Strain Relief Rubber Boot Fits 14/3 Awg Cords Boot-A 50Replaces 551187-6 - Cord (2x14x8 Sj), 5007nk 664463-0 519 Feet 14 Awg Sjo 2 Wire 125 Volt Nema 1-15p Electrical Cord EC142 51Strain Relief, Hm1500b 687052-4 52Tapping Screw 4x18, Bo4556k 265995-6 53Cam, Ls1011 414546-4 54Lock Off Lever, Ls1040 416000-4 55Comp. Spring 3, Hr2400 231457-6 58Power Supply Circuit, Ls1013l 631576-2 60Switch, Ls1040 651923-1 61Switch Lever, Ls1040 415999-0 63Tapping Screw 4x18, Bo4556k 265995-6 64Handle Set, Ls1013l 183980-6 65Hex Bolt M8x45, Ls1013 921467-8 66Rubber Ring 6, Ls1013 262003-4 67P.h. Screw M6x16, Ls1211 911323-0 68Grip, Ls1013 421562-9 69Grip Holder, Ls1013 344420-1 70P.h. Screw M6x16, Ls1211 911323-0 71P.h. Screw M4x10, Ls1013fl 911114-9 72Dust Nozzle, Ls1013 419277-0 73O Ring 35, Hm1500 213460-9 74P.h. Screw M4x10, 4301bv 911113-1 75Screw M6x43, Ls1211 265717-4 76Ring 5, 6906 262001-8 77Stopper Arm, Ls1212 317176-9 78Makita Logo Label, Ls1013l 819214-8 79Stopper Arm Plate, Ls1211 344045-1 80Cusion, Ls1013l 421952-6 81Replaces 210034-7 - Ball Bearing 607llb, Ls1013 211021-9 82Retaining Ring S-14, 6302 961054-1 83Spiral Bevel Gear 33, Ls1013 226742-0 84Rubber Ring 20, Ls1013 262074-1 85F. Washer 14, Ls1214f 267035-6 86O Ring 52, 9561cv 213673-2 87Housing W/o Bearing, (a) Ls1013 316836-0 88Key 4, 9924db 254202-2 89Spindle, Ls1013 322899-6 90Ball Bearing 6003ddw, 5007nk 211275-8 91Ball Bearing 6003ddw, 5007mg 210301-0 91Bearing Retainer 66, Ls1211 285828-9 92Ring 15.88,ls1013 257060-5 93P.h. Screw M5x16, 5007nk 911223-4 94Flange 53, Ls1040 224333-1 95Flange 53, Ls1040 224333-1 97H. F. H. Bolt, Ls1030 265355-2 98Center Plate, Ls1212 344473-0 99Center Cover, Ls1013l 345603-6 100H.f.h. Bolt M8x12, Ls1030 265324-3 101.screw M5, Ls1011 265008-3 102T. Spring 45, Ls1211 231613-8 103Safety Cover, Ls1013l 419073-6 104F. Washer 6, Ls1011 253977-0 105P.h. Screw M5x14, Da6300 911218-7 106Guard, Ls1013l 421916-0 107Guard Plate, Ls1013l 345610-9 108Blade Case Set, Ls1013l 188026-3 109Tapping Screw 4x12,5477nb 266026-4 110Lead Cover Holder, Ls1013l 419078-6 111Lead Cover, Ls1013l 419076-0 112Lens, Ls1013l 418104-8 113Laser Label, Ls1013fl 804293-9 114Shoulder Screw M5, La1013l 266306-8 115Hex.screw M5x8, 4200n 266229-0 116Block C, Ls1013fl 419379-2 117Hex. Socket Set Screw M4x6, Ls1016l 266318-1 118Torsion Spring 9, La1013l 231664-1 119P.h. Screw M3x6, 6261dwple 911003-8 120Block B, Ls1013fl 419378-4 121P.h. Screw M3x6, 6261dwple 911003-8 122Torsion Spring 9, La1013l 231664-1 123Hex. Socket Set Screw M4x6, Ls1016l 266318-1 124Laser Circuit Cpl.,ls1013fl 638442-4 125Top Cover, Ls1013fl 419380-7 126F. Washer 5, 6012hdw 253807-5 127Thumb Screw M5x24, Ls1013l 265753-0 128Tapping Screw Bind Ct 4x20, 9046 266042-6 129T. Screw 4x40, Bo4556 266048-4 211Light Ass 125337-5 212Comp. Spring 6, Ls1013fl 233471-8 213
Página 1

Página 1

Página 2

Página 2


1
Imagen
Existencias
222
2.32
2
Imagen
Existencias
0
3
Imagen
Existencias
222
2.32
4
Imagen
Existencias
0
1639.08
6
Imagen
Existencias
0
8
Imagen
Existencias
90
113.68
9
Imagen
Existencias
214
5.80
10
Imagen
Existencias
0
11
Imagen
Existencias
0
828.24
13
Imagen
Existencias
0
15
Imagen
Existencias
0
213.44
16
Imagen
Existencias
0
17
Imagen
Existencias
0
51.04
18
Imagen
Existencias
12
2.32
19
Imagen
Existencias
2
51.04
20
Imagen
Existencias
5
109.04
21
Imagen
Existencias
0
3.48
22
Imagen
Existencias
0
23
Imagen
Existencias
0
24
Imagen
Existencias
0
3.48
25
Imagen
Existencias
0
3.48
26
Imagen
Existencias
20
2.32
27
Imagen
Existencias
0
26.68
28
Imagen
Existencias
0
29
Imagen
Existencias
3
3.48
30
Imagen
Existencias
20
2.32
31
Imagen
Existencias
0
26.68
32
Imagen
Existencias
0
46
Imagen
Existencias
0
47
Imagen
Existencias
0
48
Imagen
Existencias
2
6.96
49
Imagen
Existencias
0
50
Imagen
Existencias
0
18.56
51
Imagen
Existencias
3
375.84
52
Imagen
Existencias
0
53
Imagen
Existencias
222
2.32
54
Imagen
Part # 4145464
Existencias
0
18.56
55
Imagen
Existencias
0
58
Imagen
Existencias
0
2.32
61
Imagen
Existencias
0
201.84
63
Imagen
Existencias
0
55.68
64
Imagen
Existencias
222
2.32
65
Imagen
Existencias
0
66
Imagen
Existencias
0
67
Imagen
Existencias
37
5.80
68
Imagen
Existencias
0
3.48
69
Imagen
Existencias
0
70
Imagen
Existencias
0
71
Imagen
Existencias
0
3.48
72
Imagen
Existencias
0
2.32
73
Imagen
Existencias
0
74
Imagen
Existencias
19
44.08
75
Imagen
Existencias
101
2.32
76
Imagen
Existencias
0
77
Imagen
Existencias
0
78
Imagen
Existencias
0
79
Imagen
Existencias
0
80
Imagen
Existencias
0
81
Imagen
Existencias
0
83
Imagen
Existencias
8
2.32
84
Imagen
Existencias
0
85
Imagen
Existencias
7
3.48
86
Imagen
Existencias
4
18.56
87
Imagen
Existencias
0
88
Imagen
Existencias
10
117.16
89
Imagen
Part # 2542022
Existencias
4
5.80
90
Imagen
Existencias
0
450.08
91
Imagen
Existencias
5
109.04
92
Imagen
Existencias
8
23.20
93
Imagen
Existencias
8
41.76
94
Imagen
Existencias
12
2.32
95
Imagen
Existencias
8
58.00
97
Imagen
Existencias
8
58.00
98
Imagen
Existencias
8
19.72
99
Imagen
Existencias
4
5.80
100
Imagen
Existencias
0
101
Imagen
Existencias
3
18.56
102
Imagen
Existencias
2
18.56
103
Imagen
Existencias
2
23.20
104
Imagen
Existencias
0
105
Imagen
Existencias
0
106
Imagen
Existencias
0
107
Imagen
Existencias
0
108
Imagen
Existencias
0
109
Imagen
Existencias
0
110
Imagen
Existencias
0
111
Imagen
Existencias
0
112
Imagen
Existencias
0
113
Imagen
Existencias
0
114
Imagen
Existencias
0
115
Imagen
Existencias
0
116
Imagen
Existencias
0
117
Imagen
Existencias
0
119
Imagen
Existencias
0
120
Imagen
Existencias
117
2.32
121
Imagen
Existencias
0
122
Imagen
Existencias
117
2.32
123
Imagen
Existencias
0
125
Imagen
Existencias
0
126
Imagen
Existencias
0
127
Imagen
Existencias
0
128
Imagen
Existencias
0
129
Imagen
Existencias
0
211
Imagen
Existencias
0
212
Imagen
Existencias
0
213
Imagen
Existencias
0
130
Imagen
Part # 3314284
Existencias
0
91.64
131
Imagen
Existencias
0
132
Imagen
Existencias
0
3.48
133
Imagen
Existencias
0
134
Imagen
Existencias
0
135
Imagen
Existencias
0
136
Imagen
Existencias
0
137
Imagen
Existencias
0
139
Imagen
Existencias
0
140
Imagen
Existencias
0
141
Imagen
Existencias
0
142
Imagen
Existencias
0
143
Imagen
Existencias
0
144
Imagen
Existencias
0
145
Imagen
Existencias
0
146
Imagen
Existencias
0
2.32
147
Imagen
Existencias
0
149
Imagen
Existencias
0
150
Imagen
Existencias
0
151
Imagen
Existencias
101
2.32
152
Imagen
Existencias
0
153
Imagen
Existencias
0
154
Imagen
Existencias
0
155
Imagen
Existencias
0
156
Imagen
Existencias
0
157
Imagen
Existencias
0
158
Imagen
Existencias
0
160
Imagen
Existencias
32
5.80
161
Imagen
Existencias
0
162
Imagen
Existencias
0
163
Imagen
Existencias
0
164
Imagen
Existencias
0
165
Imagen
Existencias
0
166
Imagen
Existencias
0
167
Imagen
Existencias
0
168
Imagen
Existencias
0
169
Imagen
Existencias
0
170
Imagen
Existencias
0
171
Imagen
Existencias
0
172
Imagen
Existencias
7
3.48
173
Imagen
Existencias
0
31.32
174
Imagen
Existencias
0
175
Imagen
Existencias
0
176
Imagen
Existencias
0
177
Imagen
Existencias
10
2.32
178
Imagen
Existencias
0
179
Imagen
Existencias
0
3.48
180
Imagen
Existencias
0
181
Imagen
Existencias
0
182
Imagen
Existencias
0
183
Imagen
Existencias
0
184
Imagen
Existencias
0
185
Imagen
Existencias
20
2.32
186
Imagen
Existencias
0
187
Imagen
Existencias
0
3.48
188
Imagen
Existencias
0
189
Imagen
Existencias
158
2.32
190
Imagen
Existencias
0
191
Imagen
Existencias
0
192
Imagen
Existencias
0
193
Imagen
Existencias
0
194
Imagen
Existencias
0
195
Imagen
Existencias
158
2.32
196
Imagen
Existencias
0
197
Imagen
Existencias
0
198
Imagen
Existencias
0
199
Imagen
Existencias
158
2.32
200
Imagen
Existencias
0
201
Imagen
Existencias
0
31.32
202
Imagen
Existencias
0
203
Imagen
Existencias
0
210
Imagen
Existencias
0
1001
Imagen
Existencias
0
78.88
1007
Imagen
Existencias
0
1008
Imagen
Existencias
0
58.00
5001
Imagen
Part #
Existencias
0

Ocurrió un problema de conexión. Vuelve a cargar la página o revisa tu conexión.