Colores de la tienda

Aquí tienes algunos colores increíbles disponibles en la plantilla de la tienda online.

Zoom: 100%
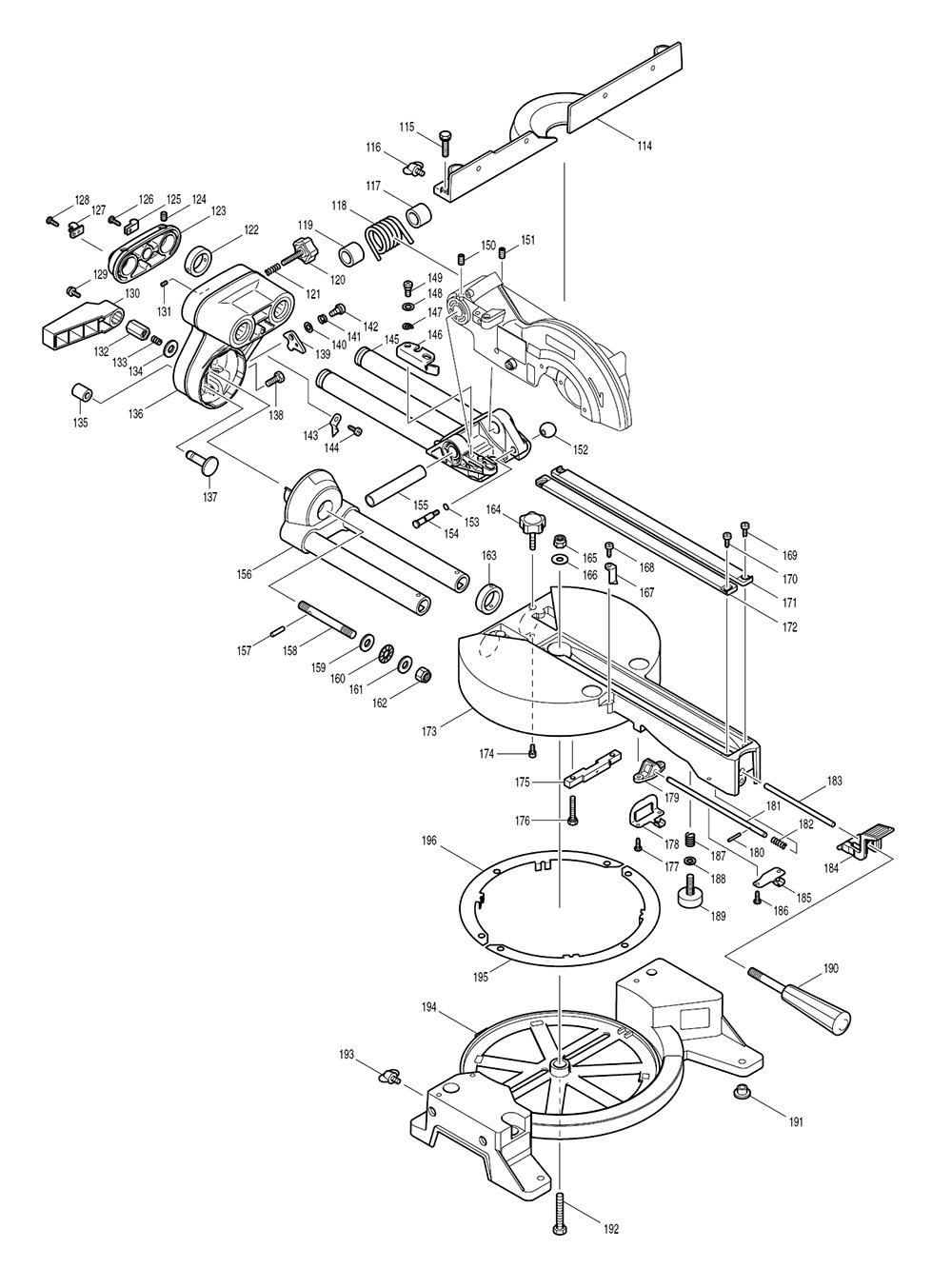
P.h. Screw M5x18, 5377mg 911228-4 1Flat Washer 5, 9046 267136-0 2Safety Cover, Ls0714 453297-4 3Safety Cover, Ls0714 418656-9 3Safety Cover, Ls0714 458785-6 3.screw M5, Ls1011 265008-3 4Hex. Bolt M6x18, Ls711dwbek 265461-3 5Inner Flange, 5007fk 224151-7 6Bearing Retainer 55, Ls0714 285715-2 7Spindle, Ls711dwbek 323798-5 8Ball Bearing 6201ddw, Ga4030 211129-9 9Housing W/o Bearing, Ls0711z 317037-3 10O-ring, Ls0714 213565-5 11Helical Gear 47, Ls0711z 226497-7 13Replaces 210034-7 - Ball Bearing 607llb, Ls1013 211021-9 14Rubber Pin 6, Bhp452 263005-3 15Blade Case, Ls0714 188246-9 16Blade Case, Ls0714 183885-0 16Spiral Spring 26, Ls711dwbek 231934-8 17Center Washer, Ls711dwbek 344639-2 18Hex Bolt M6x14, Ls0711z 265473-6 19.center Cover, Ls711dwbek 344641-5 20Center Plate, Ls711dwbek 345410-7 21Outer Flange, 5620dwa 224275-9 22P.h. Screw M5x16, 5007nk 911223-4 23H.s.h. Bolt M6x20, Ls1013 922331-6 24F. Washer 6, 6012hdw 253804-1 25Ring 6, Ls1011 257163-5 26Link Plate, Bls712sfk 345411-5 27Ring 6, Ls1011 257163-5 28F. Washer 6, 6012hdw 253804-1 29Stop Ring E-5, Ls1011 961018-5 30T. Screw Bind Ct4x8, Jn1601 266061-2 31O Ring 35, Hm1500 213460-9 32Dust Nozzle, Ls1013 419277-0 33Dust Nozzle, Ls1013 416133-5 33Makita Label, Da3010f 819063-3 34Hex. Bolt M6x16, Ls711dwbek 265381-1 35Ring 5, 6906 262001-8 36Screw M6x43, Ls1211 265717-4 37Guard Plate, Ls0714 345438-5 38P.h. Screw M4x10, 4301bv 911113-1 39Guard, Ls0714 423333-0 40T. Screw Flange Pt5x50,hr2010 266046-8 72Rubber Pin 4, 5007nk 263002-9 73Ball Bearing 6001llb,9218pb 211101-1 74Rubber Pin 4, 5007nk 263002-9 75Comp. Spring 5, 5740nb 233092-6 76Shaft Lock, Ls0711z 344642-3 77Fan 70, Ls0714 240030-1 78Armature Ass 510063-3 79Insulated Washer, 9227c 681644-1 80Replaces 211033-2 - Ball Bearing 608llb, 9227c 211031-6 81Replacement Ball Bearing - 2 X Shield, Id 8 Mm X Od 22 Mmx W 7 Mm Makita 211031-6, 211033-2, Delta 1346630, Dewalt 330003-60, Porter Cable 843002, Metabo 143115180, Bosch 2610017348, Milwaukee 02-04-0 81Urethane Washer 18, Ls0711z 261110-0 82Baffle Plate, Ls0711z 416537-1 83Field 115v, Ls0711z 634306-0 84Support Complete, Ls0711z 632847-0 85Handle Set, Ls0711z 183878-7 86Cord (2x18x16 Sj), Hm0810b 660254-7 87Cord (2x18x16 Sj), Hr2010 664074-1 87Cord Guard 8-90, 9005b 682503-2 88Cord Protector Strain Relief Rubber Boot Fits 18/2 Awg Electrical Cords Boot-C 88Strain Relief, 4323k 687063-9 89Tapping Screw 4x18, Bo4556k 265995-6 90Motor Housing Cpl., Ls0711z 151821-4 91No Longer Available - Upper Cover, Ls0711z 416538-9 92P.h. Screw M5x50, Hr2400 911273-9 93Carbon Brush Set, 194996-6 CB303 94Japanese Aftermarket Carbon Brush Set Replaces Makita Cb-303 194996-6 191963-2 (2/pack) K40 94Brush Holder Cap, Jr3020 643755-0 95Switch, Ls1040 651923-1 97Switch Lever, Ls711dwbek 416534-7 99Pin 5, Lc1230 256098-7 102Lock Off Lever, Ls711dwbek 416533-9 103Comp. Spring 4, Ls1016l 231026-3 104P.h. Screw M5x50, Hr2400 911273-9 105Switch Button, Ls1011 411478-6 107Handle Set, Ls0711z 183878-7 109Tapping Screw 4x18, Bo4556k 265995-6 110
Página 1

Página 1

Página 2

Página 2


1
Imagen
Existencias
2
2.32
2
Imagen
Existencias
0
9.28
3
Imagen
Existencias
0
3
Imagen
Existencias
0
3
Imagen
Existencias
0
4
Imagen
Existencias
2
18.56
6
Imagen
Existencias
0
27.84
8
Imagen
Existencias
0
9
Imagen
Existencias
0
105.56
11
Imagen
Existencias
0
13
Imagen
Existencias
0
15
Imagen
Existencias
9
2.32
16
Imagen
Existencias
0
16
Imagen
Existencias
0
18
Imagen
Existencias
0
19
Imagen
Existencias
0
20
Imagen
Existencias
0
21
Imagen
Existencias
0
22
Imagen
Existencias
0
35.96
23
Imagen
Existencias
12
2.32
24
Imagen
Existencias
3
3.48
25
Imagen
Existencias
20
2.32
26
Imagen
Existencias
0
26.68
27
Imagen
Existencias
0
28
Imagen
Existencias
0
26.68
29
Imagen
Existencias
20
2.32
30
Imagen
Existencias
0
3.48
31
Imagen
Existencias
0
32
Imagen
Existencias
19
44.08
33
Imagen
Existencias
0
33
Imagen
Existencias
0
34
Imagen
Existencias
0
35
Imagen
Existencias
0
36
Imagen
Existencias
0
37
Imagen
Existencias
0
38
Imagen
Existencias
0
39
Imagen
Existencias
101
2.32
40
Imagen
Existencias
0
73
Imagen
Existencias
40
2.32
74
Imagen
Existencias
27
90.48
75
Imagen
Existencias
40
2.32
76
Imagen
Existencias
0
77
Imagen
Existencias
0
78
Imagen
Existencias
0
79
Imagen
Existencias
0
80
Imagen
Existencias
266
3.48
81
Imagen
Existencias
0
48.72
82
Imagen
Existencias
0
83
Imagen
Existencias
0
84
Imagen
Existencias
0
85
Imagen
Existencias
0
86
Imagen
Existencias
0
87
Imagen
Existencias
0
87
Imagen
Existencias
0
88
Imagen
Existencias
0
25.52
89
Imagen
Existencias
70
3.48
90
Imagen
Existencias
222
2.32
91
Imagen
Existencias
0
93
Imagen
Existencias
46
4.64
94
Imagen
Existencias
0
95
Imagen
Existencias
0
97
Imagen
Existencias
0
201.84
99
Imagen
Existencias
0
102
Imagen
Existencias
0
103
Imagen
Existencias
0
104
Imagen
Existencias
0
105
Imagen
Existencias
46
4.64
107
Imagen
Existencias
2
6.96
109
Imagen
Existencias
0
110
Imagen
Existencias
222
2.32
12
Imagen
Existencias
0
114
Imagen
Existencias
0
114
Imagen
Existencias
0
1
Imagen
Existencias
0
78.88
2
Imagen
Existencias
0
7
Imagen
Existencias
0
115
Imagen
Existencias
0
116
Imagen
Existencias
0
31.32
117
Imagen
Existencias
0
119
Imagen
Existencias
0
120
Imagen
Existencias
0
121
Imagen
Existencias
0
122
Imagen
Existencias
0
123
Imagen
Existencias
0
125
Imagen
Existencias
0
126
Imagen
Existencias
0
127
Imagen
Existencias
0
128
Imagen
Existencias
0
129
Imagen
Existencias
101
2.32
130
Imagen
Existencias
0
131
Imagen
Existencias
0
132
Imagen
Existencias
0
133
Imagen
Existencias
0
134
Imagen
Existencias
0
135
Imagen
Existencias
0
136
Imagen
Existencias
0
137
Imagen
Existencias
0
138
Imagen
Existencias
0
139
Imagen
Existencias
0
140
Imagen
Existencias
0
141
Imagen
Existencias
0
142
Imagen
Existencias
0
143
Imagen
Existencias
0
144
Imagen
Existencias
0
145
Imagen
Existencias
0
146
Imagen
Existencias
0
147
Imagen
Existencias
0
148
Imagen
Existencias
0
149
Imagen
Existencias
0
150
Imagen
Existencias
0
151
Imagen
Existencias
0
152
Imagen
Existencias
0
153
Imagen
Existencias
0
154
Imagen
Existencias
0
155
Imagen
Existencias
0
156
Imagen
Existencias
0
157
Imagen
Existencias
0
158
Imagen
Existencias
0
159
Imagen
Existencias
0
160
Imagen
Existencias
0
161
Imagen
Existencias
0
162
Imagen
Existencias
0
31.32
163
Imagen
Existencias
0
164
Imagen
Existencias
0
165
Imagen
Existencias
0
166
Imagen
Existencias
0
167
Imagen
Existencias
0
168
Imagen
Existencias
0
169
Imagen
Existencias
0
170
Imagen
Existencias
0
171
Imagen
Existencias
0
172
Imagen
Existencias
0
173
Imagen
Existencias
0
174
Imagen
Existencias
0
5.80
175
Imagen
Existencias
0
176
Imagen
Existencias
0
177
Imagen
Existencias
158
2.32
178
Imagen
Existencias
0
179
Imagen
Existencias
0
180
Imagen
Part # 2561585
Existencias
2
4.64
181
Imagen
Existencias
0
182
Imagen
Existencias
0
183
Imagen
Existencias
0
184
Imagen
Existencias
0
185
Imagen
Existencias
0
186
Imagen
Existencias
158
2.32
187
Imagen
Existencias
0
188
Imagen
Existencias
0
189
Imagen
Existencias
0
189
Imagen
Existencias
0
190
Imagen
Existencias
0
191
Imagen
Existencias
0
192
Imagen
Existencias
0
193
Imagen
Existencias
0
31.32
194
Imagen
Existencias
0
195
Imagen
Existencias
0
196
Imagen
Existencias
0

Ocurrió un problema de conexión. Vuelve a cargar la página o revisa tu conexión.