Colores de la tienda

Aquí tienes algunos colores increíbles disponibles en la plantilla de la tienda online.

Zoom: 100%
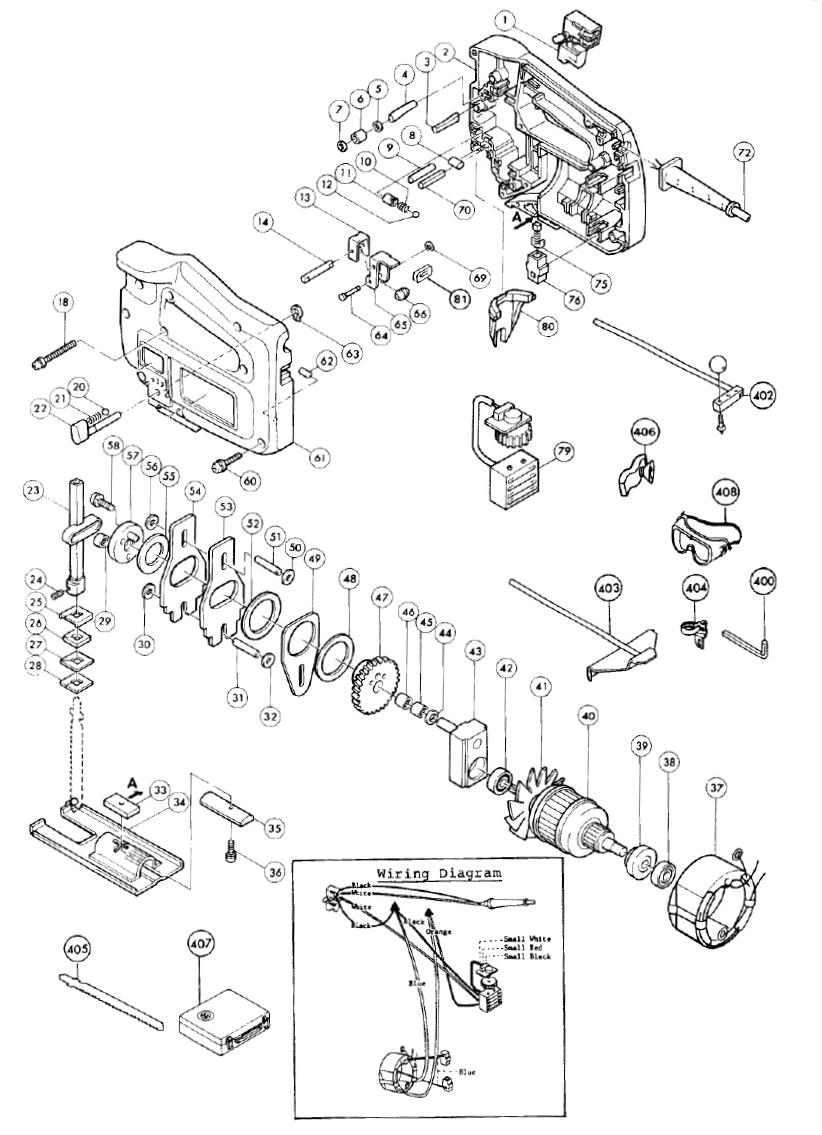
Switch, 9218pbl 651216-6 1Switch,jn3200 651225-5 1Housing Set, 4303c 182005-3A 2Pin 5, 4303c 256171-3 3Pin 5, 4303c 256169-0 4F. Washer 5, 4303c 267034-8 5Roller, 4303c 321988-4 6F. Washer 5, 4303c 267034-8 7Pin 6, 4303c 256172-1 8Pin 5, 4303c 256171-3 9Comp. Spring 4, 4303c 231429-1 10Spring Guide, 4303c 322105-9 11Steel Ball 5.6, 6222dwe 216011-7 12Spacer, 4303c 343424-0 13Pin 4, 4303c 256167-4 14P.h. Screw M5x45, 5007nk 911268-2 18Steel Ball 4.0, 5007nk 216008-6 20Comp. Spring 4, 4301bv 231314-8 21Lever 25, 4303c 272220-8 22Slider, 4303c 168182-5 23Set Screw M6x8, 4330dwa 265894-2 24Dust Plate, 4303c 343408-8 25Dust Seal, 4303c 421318-0 26T. Washer 9, 4303c 253340-7 27Fiber Washer, 4303c 261080-3 28N. Bearing 607, 4330dwa 212010-7 29F. Washer 6, 6012hdw 253804-1 30Pin 6, 4303c 256170-5 31F. Washer 6, 6012hdw 253804-1 32Base Holder, 4303c 343377-3 33Base, 4303c 164829-9 34Clamp Plate, 4303c 315953-3 35H.s.h. Bolt M4x16, 4330dwa 922126-7 36Field, 4302c 622646-8 37Replaced By 211031-6 - B. Bearing 608lb, 5091d 211033-2 38Replacement Ball Bearing - 2 X Shield, Id 8 Mm X Od 22 Mmx W 7 Mm Makita 211031-6, 211033-2, Delta 1346630, Dewalt 330003-60, Porter Cable 843002, Metabo 143115180, Bosch 2610017348, Milwaukee 02-04-0 38Replaces 211033-2 - Ball Bearing 608llb, 9227c 211031-6 38Ins. Washer, 4303c 681627-1 39Armature, 4303c 612906-6 40Fan 68, 9218sb 241044-3 41Replaced By 211031-6 - B. Bearing 608lb, 5091d 211033-2 42Replaces 211033-2 - Ball Bearing 608llb, 9227c 211031-6 42Replacement Ball Bearing - 2 X Shield, Id 8 Mm X Od 22 Mmx W 7 Mm Makita 211031-6, 211033-2, Delta 1346630, Dewalt 330003-60, Porter Cable 843002, Metabo 143115180, Bosch 2610017348, Milwaukee 02-04-0 42Housing W/o Bearing, 4303c 152304-7 43F. Washer 8, 4303c 253165-9 44N. Bearing 810, Hr2410 212005-0 45N. Bearing 810, Hr2410 212005-0 46H. Gear 65, 4303c 221752-2 47F. Washer 35, 4303c 253880-5 48Push Plate, 4303c 343379-9 49F. Washer 6, 6012hdw 253804-1 50Pin 6, 4303c 256170-5 51F. Washer 35, 4303c 253880-5 52Balance Plate, 4303c 343380-4 53Balance Plate, 4303c 343380-4 54F. Washer 26, 4303c 253122-7 55F. Washer 6, 6012hdw 253804-1 56Crank, 4303c 152243-1 57P.h. Screw M5x16, Jr3000v 911221-8 58P.h. Screw M5x25, Ga7911 911243-8 60Housing Set, 4303c 182005-3A 61Rubber Pin 4, 5007nk 263002-9 62Retaining Ring S-6, 6012hdw 961002-0 63Pin 4, 4303c 256640-4 64Retainer, 4303c 343378-1 65Roller, 4302c 321989-2 66Stop Ring E-3, 4304, Sh01 961017-7 69Pin 5, 4303c 256171-3 70Cord (2x18x8 Sjt), 3621 664424-0 72Cord, 4320 664422-4 72Carbon Brush Set, 194978-8 CB113 75Carbon Brush 113, Hk0500 191904-8 75Brush Holder, Hp2010n 643605-9 76Controller, 4303c 631079-6 79Protector, 4303c 414131-3 80Dust Seal, 4303c 421353-8 81Rip Fence 123030-5 402Jig Saw Blade #31 164113-2 403Jig Saw Blade #59 792430-6 405Jig Saw Blade #51 792428-3 405Jig Saw Blade #58 792429-1 405Rule Holder 343381-2 406Steel Tool Case 181967-2 407
Página 1

Página 1


1
Imagen
Existencias
0
1
Imagen
Part # 6512255
Existencias
10
215.76
2
Imagen
Existencias
0
3
Imagen
Existencias
0
4
Imagen
Existencias
0
5
Imagen
Existencias
0
6
Imagen
Existencias
0
7
Imagen
Existencias
0
8
Imagen
Existencias
0
9
Imagen
Existencias
0
10
Imagen
Existencias
0
11
Imagen
Existencias
0
12
Imagen
Existencias
17
2.32
13
Imagen
Existencias
0
14
Imagen
Existencias
0
18
Imagen
Existencias
0
5.80
20
Imagen
Existencias
51
2.32
21
Imagen
Existencias
0
2.32
22
Imagen
Existencias
0
23
Imagen
Existencias
0
24
Imagen
Existencias
78
2.32
25
Imagen
Existencias
0
26
Imagen
Existencias
0
27
Imagen
Existencias
0
28
Imagen
Existencias
0
29
Imagen
Existencias
2
221.56
30
Imagen
Existencias
20
2.32
31
Imagen
Existencias
0
32
Imagen
Existencias
20
2.32
33
Imagen
Existencias
0
34
Imagen
Existencias
0
35
Imagen
Existencias
0
36
Imagen
Existencias
0
5.80
37
Imagen
Existencias
0
38
Imagen
Existencias
16
52.20
38
Imagen
Existencias
0
48.72
39
Imagen
Existencias
0
40
Imagen
Existencias
0
41
Imagen
Existencias
0
42
Imagen
Existencias
16
52.20
42
Imagen
Existencias
0
48.72
43
Imagen
Existencias
0
44
Imagen
Existencias
0
5.80
45
Imagen
Existencias
0
46
Imagen
Existencias
0
47
Imagen
Existencias
0
48
Imagen
Existencias
0
49
Imagen
Existencias
0
50
Imagen
Existencias
20
2.32
51
Imagen
Existencias
0
52
Imagen
Existencias
0
53
Imagen
Existencias
0
54
Imagen
Existencias
0
55
Imagen
Existencias
0
56
Imagen
Existencias
20
2.32
57
Imagen
Existencias
0
58
Imagen
Existencias
11
2.32
60
Imagen
Existencias
24
2.32
61
Imagen
Existencias
0
62
Imagen
Existencias
40
2.32
63
Imagen
Existencias
10
2.32
64
Imagen
Existencias
0
65
Imagen
Existencias
0
66
Imagen
Existencias
0
69
Imagen
Existencias
45
2.32
70
Imagen
Existencias
0
72
Imagen
Existencias
0
72
Imagen
Existencias
0
75
Imagen
Existencias
0
75
Imagen
Existencias
14
100.92
76
Imagen
Existencias
2
15.08
79
Imagen
Existencias
0
80
Imagen
Existencias
0
81
Imagen
Existencias
0
402
Imagen
Part # 1230305
Existencias
0
403
Imagen
Existencias
0
405
Imagen
Existencias
0
405
Imagen
Existencias
0
405
Imagen
Existencias
0
406
Imagen
Existencias
0
407
Imagen
Existencias
0

Ocurrió un problema de conexión. Vuelve a cargar la página o revisa tu conexión.