Colores de la tienda

Aquí tienes algunos colores increíbles disponibles en la plantilla de la tienda online.

Zoom: 100%
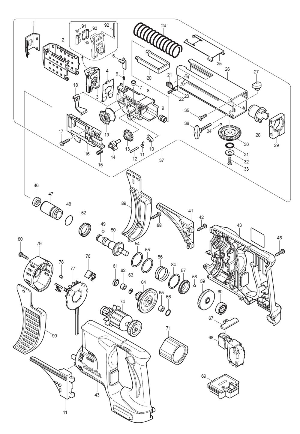
Cap, Bfr750z 424043-2 1Stpper Base 55, Xrf02 345839-7 2Lever, Bfr750z 345837-1 5Comp. Spring 2, 6834 233211-4 6Pin 6, 6834 256451-7 7Feeder Box, Bfr750z 450107-6 8Feeder Box Ass'y, Xrf02 125809-0 8Sleeve 5, 6834 257685-5 9Stopper, 6834 310062-3 10Torsion Spring 4, 6834 231636-6 11Pin 3, Bjr181 256158-5 12Spur Gear 16, 6834 226344-2 13Ratchet Arm Complete, Bfr750z 158374-4 14Comp. Spring 6, 6834 233212-2 15Box Cover Cpl., Xrf02 158375-2 16Tapping Screw 4x18, Bo4556k 265995-6 17Dust Cover, 6834 162201-9 18Wheel, 6834 416518-5 19Plate, Bfr750z 345838-9 20Stopper, Bfr750z 450111-5 21S.f.h. Screw M3x5, Bfr750z 265177-0 22Sleeve 4, Bfr750z 257764-9 23Compression Spring 23, Xrf02 234031-9 24Casing Cover, Bfr750z 450114-9 25Indication Label, Xrf02 816885-2 26Casing 55 Complete 158384-1 26Caution Label, Bft082rz 810401-2 26Shifter Pin, Bfr750z 310237-4 27Insulation Sleeve, Bfr750z 450110-7 28Clamper, Bfr750z 318181-9 29Dial 42, 6835dwa 417056-0 30O Ring 12, Jr3000v 213107-5 31Flat Washer 6, 6835dwa 267201-5 32C.s.h. Screw M4x12, Bo4556 912117-6 33Steel Ball 3.5, 6800dbv 216001-0 34C.s.h. Screw M4x12, Bo4556 912117-6 35Thumb Screw M4x28, 6834 265779-2 36Screw Guide Set, Xrf02 188309-1 41Tapping Screw 4x18, Bo4556k 265995-6 42Housing Set 188556-4 43Tapping Screw 4x18, Bo4556k 265995-6 45Dust Cover, 6830 421467-3 46Plane Bearing 14, Bfr750z 214172-7 47O Ring 18, 5005ba 213262-3 48Steel Ball 3.5, 6800dbv 216001-0 49Spindle A, Bfr750z 324807-3 50Sleeve 20, Bfs450z 421927-5 52Flat Washer 25, Bfs450z 267331-2 54Flat Washer 25, Bfs450z 267331-2 55Compression Springs 25, Bfs450z 234017-3 56Clutch Cam C, Bfs450z 223169-5 57Steel Ball 4.0, 5007nk 216008-6 58Helical Gear 48, Bfs450z 226670-9 59Ball Bearing 608, 2106 211034-0 60Rubber Sleeve 10, 6831dwh 165115-1 61P. Bearing 5, 6043d 214017-9 62F. Washer 5, 5007nk 253811-4 63Gear Complete 18-44, Bfs450z 154937-4 64P. Bearing 5, 6043d 214017-9 65O Ring 10, Hr3851 213055-8 66F/r Change Lever, Bfs450z 419304-3 67Switch , Bfr750 650670-1 68Terminal 643828-9 69York Unit, Bfs450z 638426-2 71Armature 619180-7 74Japanese Carbon Brush Set Replaces Makita (cb... K36 76Carbon Brush Set Cb-440, Bhp451 195021-6 76Brush Holder Complete, Bfs450z 638433-5 77Rubber Pin 4, Btd130f 263032-0 78Front Cover, Bjs130z 419307-7 79Tapping Screw 4x18, Bo4556k 265995-6 80Flat Washer 26, Bfs450z 267332-0 84Tapping Screw 4x18, Bo4556k 265995-6 88Guide Attachment Set, Bfr750z 188310-6 89Torsion Spring 4, Bfr750z 233567-5 91Pin 2, Bfr750z 268188-4 92Guide, Bfr750z 310282-9 93
Página 1

Página 1


1
Imagen
Existencias
0
2
Imagen
Existencias
0
5
Imagen
Existencias
0
6
Imagen
Existencias
0
7
Imagen
Existencias
0
8
Imagen
Existencias
0
8
Imagen
Existencias
0
9
Imagen
Existencias
0
10
Imagen
Existencias
0
11
Imagen
Existencias
0
12
Imagen
Part # 2561585
Existencias
2
4.64
13
Imagen
Existencias
0
15
Imagen
Existencias
0
16
Imagen
Existencias
0
17
Imagen
Existencias
222
2.32
18
Imagen
Existencias
0
19
Imagen
Existencias
0
20
Imagen
Existencias
0
21
Imagen
Existencias
0
22
Imagen
Existencias
0
23
Imagen
Existencias
0
25
Imagen
Existencias
0
26
Imagen
Existencias
0
26
Imagen
Existencias
0
26
Imagen
Existencias
0
27
Imagen
Existencias
0
28
Imagen
Existencias
0
29
Imagen
Existencias
0
30
Imagen
Existencias
0
31
Imagen
Existencias
2
3.48
32
Imagen
Existencias
0
33
Imagen
Existencias
3
2.32
34
Imagen
Existencias
8
2.32
35
Imagen
Existencias
3
2.32
36
Imagen
Existencias
0
41
Imagen
Existencias
0
42
Imagen
Existencias
222
2.32
43
Imagen
Existencias
0
45
Imagen
Existencias
222
2.32
46
Imagen
Existencias
0
47
Imagen
Existencias
0
48
Imagen
Existencias
0
3.48
49
Imagen
Existencias
8
2.32
50
Imagen
Existencias
0
52
Imagen
Existencias
0
54
Imagen
Existencias
0
55
Imagen
Existencias
0
57
Imagen
Existencias
0
58
Imagen
Existencias
51
2.32
59
Imagen
Existencias
0
60
Imagen
Existencias
0
61
Imagen
Existencias
0
62
Imagen
Existencias
2
3.48
63
Imagen
Existencias
0
65
Imagen
Existencias
2
3.48
66
Imagen
Existencias
0
3.48
67
Imagen
Existencias
0
68
Imagen
Existencias
0
69
Imagen
Existencias
0
71
Imagen
Existencias
0
74
Imagen
Existencias
0
76
Imagen
Existencias
29
172.84
78
Imagen
Existencias
13
19.72
79
Imagen
Existencias
0
80
Imagen
Existencias
222
2.32
84
Imagen
Existencias
0
88
Imagen
Existencias
222
2.32
91
Imagen
Existencias
0
92
Imagen
Existencias
0
93
Imagen
Existencias
0
0
Imagen
Existencias
0
0
Imagen
Existencias
0
1
Imagen
Existencias
0

Ocurrió un problema de conexión. Vuelve a cargar la página o revisa tu conexión.