Colores de la tienda

Aquí tienes algunos colores increíbles disponibles en la plantilla de la tienda online.

Zoom: 100%
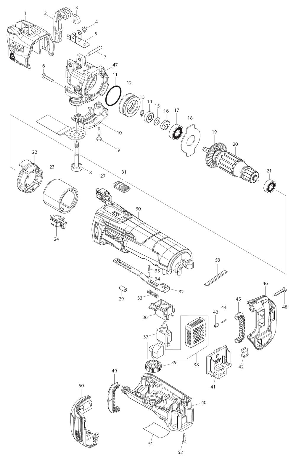
Upper Head Cover, Xmt03 455272-6 1Lever, Tm3010c 319059-9 2Turn Block, Tm3010c 313268-2 3Pan Head Screw M4x6, Tm3010c 911102-6 4Leaf Spring, Tm3010c 232282-8 5Tapping Screw 4x20, Tm3000c 266424-2 6Pin 5, Tm3010c 268306-4 7Holder Bolt, Xmt03 326409-1 8Tapping Screw 4x20, Tm3000c 266424-2 9Lower Head Cover, Tm3010c 454635-3 10Spo Ring 35, Fs2701 213343-3 11Bearing Box, Tm3010c 326347-7 12Retaining Ring S-7, 9015b 961003-8 13Sphere Bearing, Tm3000c 211392-4 14F. Washer 7, Dp4000 253133-2 15Balancer, Tm3000c 313245-4 16B. Bearing 629ddw, Bo4556 211092-6 17Bearing Retainer, Tm3000c 285857-2 18Fan 46, Tm3000c 240140-4 19Armature Ass'y, Xmt03 519338-7 20Ball Bearing 627ddw, 9910 210023-2 21Baffle Plate, Xmt03 455017-2 22Yoke Unit, Xmt03 632B69-4 23Brush Holder Cpl., Xmt03 632B88-0 24Brush Holder Cpl., Xmt03 632B89-8 27Motor Housing, Xmt03 455013-0 30Switch Knob, Xmt03 455016-4 31Switch Lever, Xmt03 455015-6 32Compression Spring 5, Tm3000c 234263-8 33Rivet 2, 9227c 255058-6 34Compression Spring 3,9227c 233002-3 35Switch Case, Xmt03 455018-0 36Switch, Rd1100/1101 651423-1 37Controller, Xmt03 620270-1 38Dial 28, Lxmt02 271617-8 39Handle Cover Cpl., Xmt03 142617-4 40Terminal, Lxfd01cw 643852-2 41Cushion, Lxrh01 424476-1 42Rubber Pin 5, Btw251 263036-2 43Pin 1.5, Btw251 268184-2 44Cushion Rubber, Lxmt02 424473-7 45Battery Housing Set, Xmt03 187848-8 46Crank Housing Cpl., Xmt03 142502-1 47Crank Housing Cpl., Xmt03 143250-5 47Tapping Screw 4x20, Tm3000c 266424-2 48Cushion Rubber, Lxmt02 424473-7 49Battery Housing Set, Xmt03 187848-8 50Name Plate, Xmt03 815M49-3 51Tapping Screw 3x16, Bcl180zw 266429-2 52Sponge Sheet, Xmt03 423404-3 53
Página 1

Página 1


1
Imagen
Existencias
0
2
Imagen
Existencias
0
3
Imagen
Existencias
0
5
Imagen
Existencias
0
7
Imagen
Existencias
0
8
Imagen
Existencias
0
10
Imagen
Existencias
0
11
Imagen
Existencias
0
12
Imagen
Existencias
0
13
Imagen
Existencias
0
2.32
14
Imagen
Existencias
0
15
Imagen
Existencias
0
16
Imagen
Existencias
0
17
Imagen
Existencias
3
68.44
18
Imagen
Existencias
0
19
Imagen
Existencias
0
20
Imagen
Existencias
0
21
Imagen
Existencias
0
49.88
22
Imagen
Existencias
0
23
Imagen
Existencias
0
24
Imagen
Existencias
0
27
Imagen
Existencias
0
30
Imagen
Existencias
0
31
Imagen
Existencias
0
32
Imagen
Existencias
0
34
Imagen
Existencias
0
35
Imagen
Existencias
0
5.80
36
Imagen
Existencias
0
37
Imagen
Existencias
4
215.76
38
Imagen
Existencias
0
39
Imagen
Existencias
0
40
Imagen
Existencias
0
41
Imagen
Existencias
0
42
Imagen
Existencias
0
43
Imagen
Existencias
0
44
Imagen
Existencias
0
45
Imagen
Existencias
0
46
Imagen
Existencias
0
47
Imagen
Existencias
0
47
Imagen
Existencias
0
48
Imagen
Existencias
0
49
Imagen
Existencias
0
50
Imagen
Existencias
0
51
Imagen
Existencias
0
53
Imagen
Existencias
0
1
Imagen
Existencias
0
1
Imagen
Existencias
0
3.48
2
Imagen
Part # DC18RC
Existencias
24
1883.84
3
Imagen
Existencias
0
10
Imagen
Existencias
0
10
Imagen
Existencias
9
2.32
10
Imagen
Existencias
0
10
Imagen
Existencias
0
20
Imagen
Existencias
0

Ocurrió un problema de conexión. Vuelve a cargar la página o revisa tu conexión.