Colores de la tienda

Aquí tienes algunos colores increíbles disponibles en la plantilla de la tienda online.

Zoom: 100%
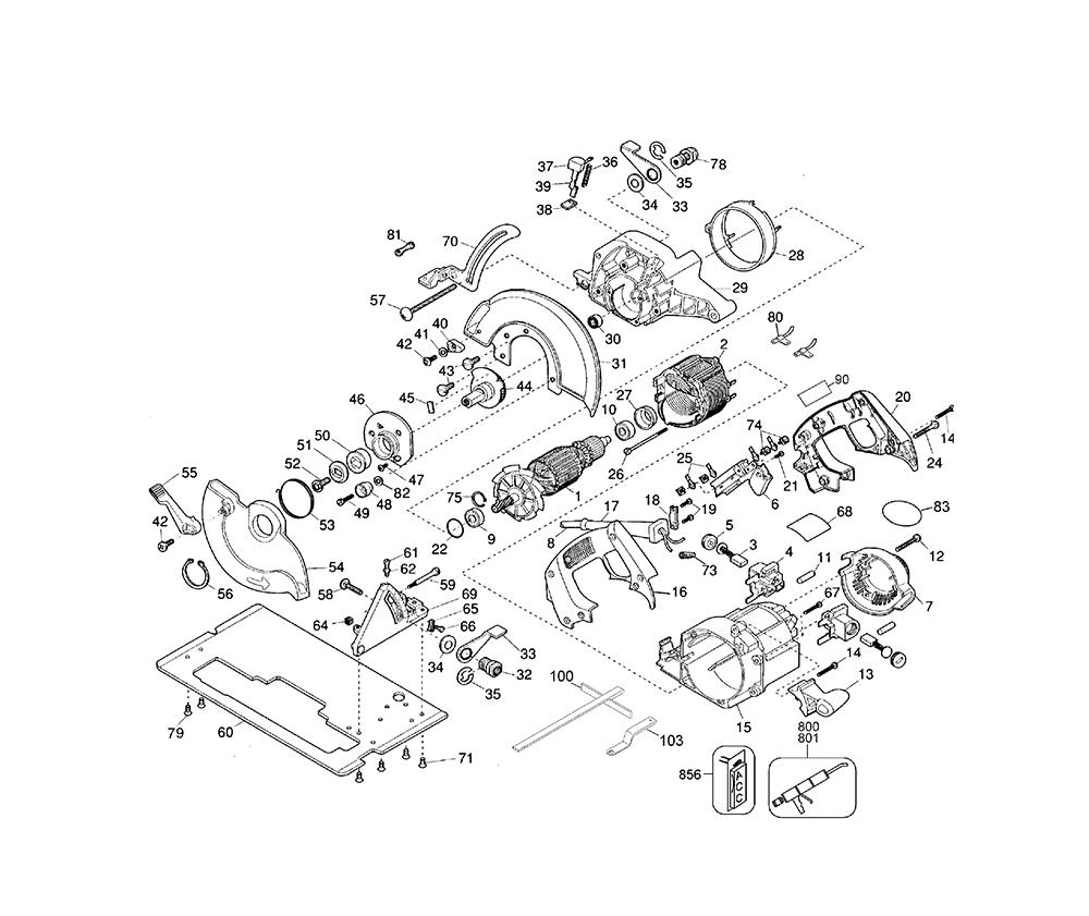
Armature & Fan 144785-10SV 1Field N078042SV 2Japanese Carbon Brush Set Replaces Dewalt 145323-06 145323-02 145323-03 M34 3Brush 145323-06 3Brush Holder 147097-09 4Cap,brush 448084-01 5Switch,trigger 450777-06 6Cap,end 382251-00 7Replacement Ball Bearing - Seal / Open, Id 15 Mm X Od 35 Mmx W 11 Mm Hitachi 620-2vv, Dewalt 330003-75, Porter Cable 878064sv (2pcs/pk) SE 6202-RS-D 9Replaced 605040-27 - Bearing,ball 330003-13 9Replacement Ball Bearing - 2 X Seal, Id 15 Mm X Od 35 Mmx W 11 Mm Hitachi 620-2vv, Dewalt 330003-75, Porter Cable 878064sv, Bosch 2610911986, Makita 211206-7 (2pcs/pk) SE 6202-2RS-D 9Replacement Ball Bearing - 2 X Shield, Id 15 Mm X Od 35 Mmx W 11 Mm Hitachi 620-2vv, Dewalt 330003-75, Porter Cable 878064sv, Makita 211206-7 (2pcs/pk) SE 6202ZZ-D 9Replaced By 605040-20 - Bearing,ball 330003-09 10Plug 87205-00 11Screw 330019-20 12Handle,front 144942-02 13Screw 330019-14 14Field Case 144945-00 15Handle Discontinued 144943-00 16Protector,cord 445338-00 17Clamp 3618-00 18Screw,plastite 148461-00 19Screw 330019-10 21O Ring 701297-00 22Screw 330019-21 24Terminal 053650-00 25Screw 330019-19 26Sleeve 137382-00 27Baffle,fan 145301-00 28Bearing,needle 330004-06 30Nut,acorn 152015-02 32Lever,lock 145347-00 33Acorn Nut 610744-00 34Ring,retaining 152211-00 35Spring 150466-00 36Button,lock 145350-00 37Wiper 145351-00 38Lever,lock 145349-00 39Bumper 145318-00 40Replaced By 330016-07 - Flat Washer 488807-00 41Screw 098094-13 42Screw,taptite 330045-23 43Spindle & Gear 145353-10SV 44Seal,foam 147194-00 45Gear Case Cover 610906-00 46Screw 098102-13 47Bumper 145375-02 48Screw 330045-27 49Washer,i.clamp 145342-00 50Clamp,outer Bld 145343-01 51Screw,special 145344-00 52Replaced By N401777 - Spring 605015-00 53Lower Guard 655178-00 54Lever 389572-00 55Retaining Ring 388496-00 56Bolt,carriage 148457-00 57Carraige Bolt N022876 58Shoulder Screw 396631-00 59Shoe Assy 145319-05SV 60Screw 098004-36 61Nut,hex 330015-04 62Nut,lock 148641-00 64Pointer 145341-00 65Screw 330045-04 66Screw 330045-19 67Screw,m4-u0 98102-10 71Connector 32114-01 73Screw 384127-01 74Ring,ret. 144803-00 75Nut,acorn 152015-03 78Screw,m4 X 12 98102-08 79Terminal 145332-00 80Plate 145449-00 81Spacer 150246-00 82Wrench 145378-01 103Grease, 6 Oz. 761995-01 800Grease,32 Oz. 283484-01 8017 1/4in 18t Pir Carb Bld 67-717 856
Página 1

Página 1


1
Imagen
Existencias
0
2
Imagen
Existencias
0
3
Imagen
Part # 14532306
Existencias
2
26.68
4
Imagen
Part # 14709709
Existencias
22
182.12
5
Imagen
Part # 44808401
Existencias
0
42.92
6
Imagen
Existencias
0
7
Imagen
Part # 38225100
Existencias
0
121.80
9
Imagen
Existencias
0
87.00
10
Imagen
Existencias
3
70.76
11
Imagen
Existencias
0
12
Imagen
Existencias
0
13
Imagen
Existencias
0
14
Imagen
Existencias
0
15
Imagen
Existencias
0
16
Imagen
Existencias
0
17
Imagen
Existencias
0
18
Imagen
Existencias
0
19
Imagen
Existencias
0
21
Imagen
Existencias
0
22
Imagen
Existencias
0
24
Imagen
Existencias
0
25
Imagen
Existencias
0
26
Imagen
Existencias
0
27
Imagen
Existencias
0
28
Imagen
Existencias
0
30
Imagen
Existencias
0
32
Imagen
Existencias
0
33
Imagen
Part # 14534700
Existencias
2
40.60
34
Imagen
Existencias
0
35
Imagen
Existencias
0
36
Imagen
Existencias
0
37
Imagen
Existencias
0
38
Imagen
Existencias
0
39
Imagen
Existencias
0
40
Imagen
Existencias
0
42
Imagen
Existencias
0
43
Imagen
Part # 33004523
Existencias
3
6.96
44
Imagen
Existencias
0
45
Imagen
Existencias
0
46
Imagen
Existencias
0
261.00
47
Imagen
Existencias
0
48
Imagen
Existencias
0
49
Imagen
Existencias
0
50
Imagen
Part # 14534200
Existencias
0
78.88
51
Imagen
Existencias
6
23.20
52
Imagen
Part # 14534400
Existencias
0
33.64
54
Imagen
Existencias
0
55
Imagen
Part # 38957200
Existencias
0
35.96
56
Imagen
Existencias
0
57
Imagen
Existencias
0
58
Imagen
Existencias
0
59
Imagen
Existencias
0
60
Imagen
Existencias
0
61
Imagen
Existencias
0
62
Imagen
Existencias
0
64
Imagen
Existencias
0
65
Imagen
Existencias
0
66
Imagen
Existencias
0
67
Imagen
Existencias
0
71
Imagen
Existencias
0
73
Imagen
Existencias
0
74
Imagen
Part # 38412701
Existencias
60
8.12
75
Imagen
Part # 14480300
Existencias
2
12.76
78
Imagen
Existencias
0
79
Imagen
Existencias
0
80
Imagen
Existencias
0
81
Imagen
Existencias
0
82
Imagen
Existencias
0
103
Imagen
Existencias
0
800
Imagen
Part # 76199501
Existencias
0
830.56
801
Imagen
Part # 28348401
Existencias
43
3012.52
856
Imagen
Existencias
0

Ocurrió un problema de conexión. Vuelve a cargar la página o revisa tu conexión.