ET1475 Type-100
Marca : Black And Decker 
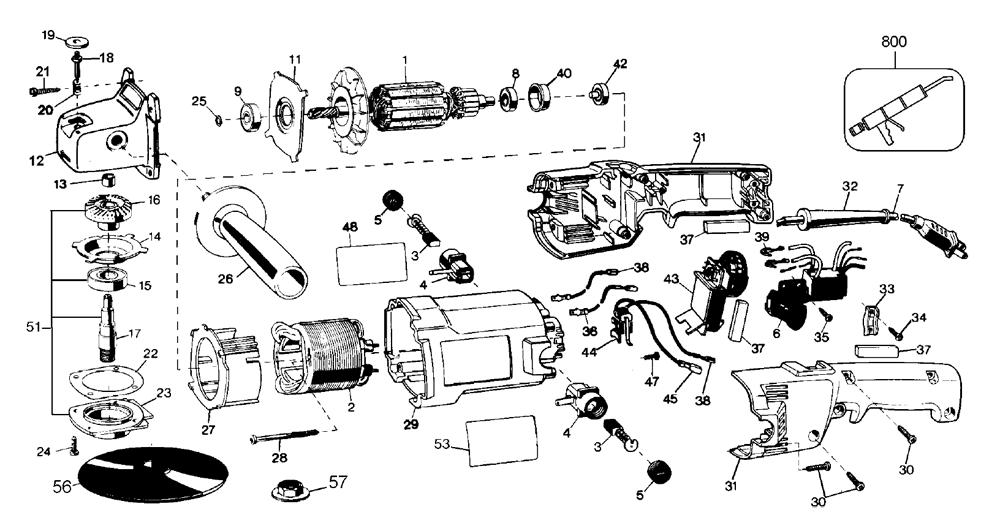
Tipo : Sander & Polisher
Subtipo : Electric Sander & Polisher
Zoom: 100%
Aquí tienes algunos colores increíbles disponibles en la plantilla de la tienda online.
Marca : Black And Decker 
Tipo : Sander & Polisher
Subtipo : Electric Sander & Polisher
Ocurrió un problema de conexión. Vuelve a cargar la página o revisa tu conexión.