Colores de la tienda

Aquí tienes algunos colores increíbles disponibles en la plantilla de la tienda online.

Zoom: 100%
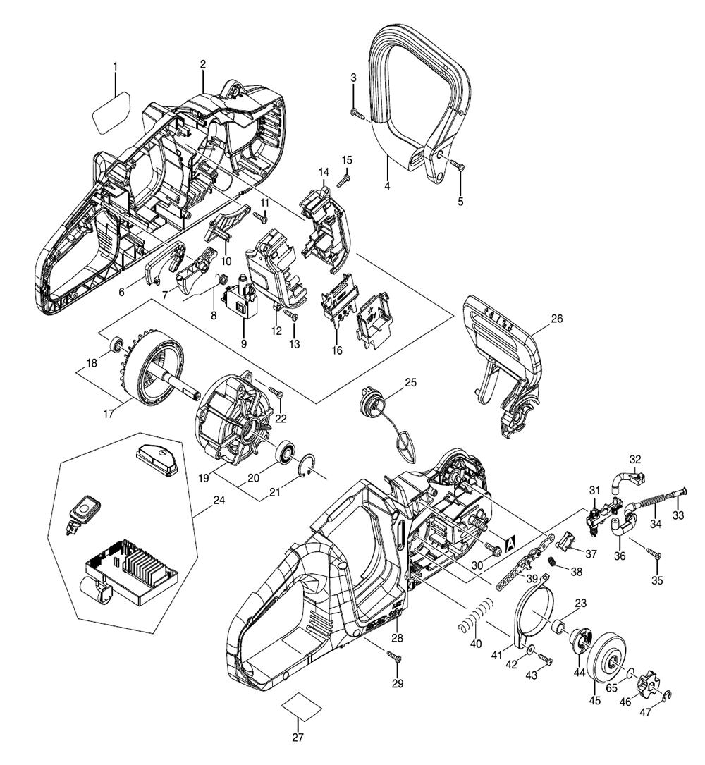
Housing Set, Xcu03 183F24-8 2Tapping Screw Pt 4x18, 5007mg 266326-2 3Front Handle, Xcu03 457007-1 4Tapping Screw Pt 4x18, 5007mg 266326-2 5Catch Lever, Xcu03 457013-6 6Switch Lever, Xcu03 457006-3 7Torsion Spring 10, Xcu03 232318-3 8Switch, Xcu03 650781-2 9Housing L Cover, Xcu03 457010-2 10Tapping Screw Pt 4x18, 5007mg 266326-2 11Terminal Box Set, Xcu03 183F15-9 12Tapping Screw Pt 4x18, 5007mg 266326-2 13Terminal Box Set, Xcu03 183F15-9 14Tapping Screw Pt 4x18, 5007mg 266326-2 15Terminal, Xfd11 643874-2 16Rotor Ass'y, Xcu03 519411-3 17Ball Bearing 606zz, Bss611z 210028-2 18Ball Bearing 606zz, Hr2410 211012-0 18Stator Ass'y, Xcu03 592H45-5 19Replaces 211088-7 - Ball Bearing 6000ddw, Hr4... 210059-1 20Retaining Ring R-26, Ga4530 962105-3 21Tapping Screw Pt 4x18, 5007mg 266326-2 22Sleeve 10, Xcu03 257402-3 23Controller Cpl., Xcu03 144483-5 24Tank Cap Cpl., Ea3601f 168508-1 25Front Hand Guard Cpl., Xcu03 144234-6 26Front Hand Guard Cpl., Xcu04 140A11-0 26Housing Set, Xcu03 183F24-8 28Tapping Screw Pt 4x18, 5007mg 266326-2 29P.h. Screw M5x20, Tw1000 911233-1 30Oil Pump Cpl., Ea3601f 142156-4 31Connector B, Xcu03 424904-6 32Nipple, Ea3201s 452666-6 33Compression Spring 6, Ea3201s 234207-8 34Tapping Screw Pt 4x18, 5007mg 266326-2 35Connector A, Xcu03 424903-8 36Switch Unit, Xcu03 632H47-0 37Comp. Spring 6, Hm1500 231298-0 38Linkplate Complete 163448-8 39Compression Spring9, Xcu03 232319-1 40Brake Band 345454-7 41Flat Washer 4, Ls1016 267195-4 42Tapping Screw Pt 4x18, 5007mg 266326-2 43Worm Gear, Xcu02 221427-3 44Brake Drum Cpl., Xcu04 161891-5 45Brake Drum Cpl., Xcu03 161526-8 45
Página 1

Página 1

Página 2

Página 2

Página 3

Página 3


2
Imagen
Existencias
0
3
Imagen
Existencias
0
2.32
4
Imagen
Existencias
0
5
Imagen
Existencias
0
2.32
6
Imagen
Existencias
0
7
Imagen
Existencias
0
8
Imagen
Existencias
0
9
Imagen
Existencias
0
10
Imagen
Existencias
0
11
Imagen
Existencias
0
2.32
12
Imagen
Existencias
0
13
Imagen
Existencias
0
2.32
14
Imagen
Existencias
0
15
Imagen
Existencias
0
2.32
16
Imagen
Existencias
0
17
Imagen
Existencias
0
18
Imagen
Existencias
0
18
Imagen
Existencias
0
19
Imagen
Existencias
0
20
Imagen
Existencias
46
74.24
21
Imagen
Existencias
0
22
Imagen
Existencias
0
2.32
23
Imagen
Existencias
0
24
Imagen
Existencias
0
25
Imagen
Existencias
0
28
Imagen
Existencias
0
29
Imagen
Existencias
0
2.32
30
Imagen
Existencias
195
2.32
31
Imagen
Existencias
0
32
Imagen
Existencias
0
33
Imagen
Existencias
0
35
Imagen
Existencias
0
2.32
36
Imagen
Existencias
0
37
Imagen
Existencias
0
38
Imagen
Existencias
0
39
Imagen
Existencias
0
40
Imagen
Existencias
0
41
Imagen
Existencias
0
42
Imagen
Existencias
0
43
Imagen
Existencias
0
2.32
44
Imagen
Existencias
0
45
Imagen
Existencias
0
45
Imagen
Existencias
0
46
Imagen
Existencias
0
47
Imagen
Existencias
0
48
Imagen
Existencias
0
49
Imagen
Existencias
0
2.32
50
Imagen
Existencias
0
51
Imagen
Existencias
0
2.32
52
Imagen
Existencias
0
53
Imagen
Existencias
0
2.32
54
Imagen
Existencias
0
56
Imagen
Existencias
0
58
Imagen
Existencias
0
59
Imagen
Existencias
0
60
Imagen
Existencias
0
61
Imagen
Existencias
0
62
Imagen
Existencias
0
63
Imagen
Existencias
0
64
Imagen
Existencias
0
65
Imagen
Existencias
0
2.32
400
Imagen
Existencias
0
402
Imagen
Existencias
0
403
Imagen
Existencias
0
1053.28
403
Imagen
Existencias
0
403
Imagen
Existencias
0
403
Imagen
Part #
Existencias
0
404
Imagen
Existencias
0
404
Imagen
Existencias
0
410
Imagen
Existencias
0

Ocurrió un problema de conexión. Vuelve a cargar la página o revisa tu conexión.