Colores de la tienda

Aquí tienes algunos colores increíbles disponibles en la plantilla de la tienda online.

Zoom: 100%
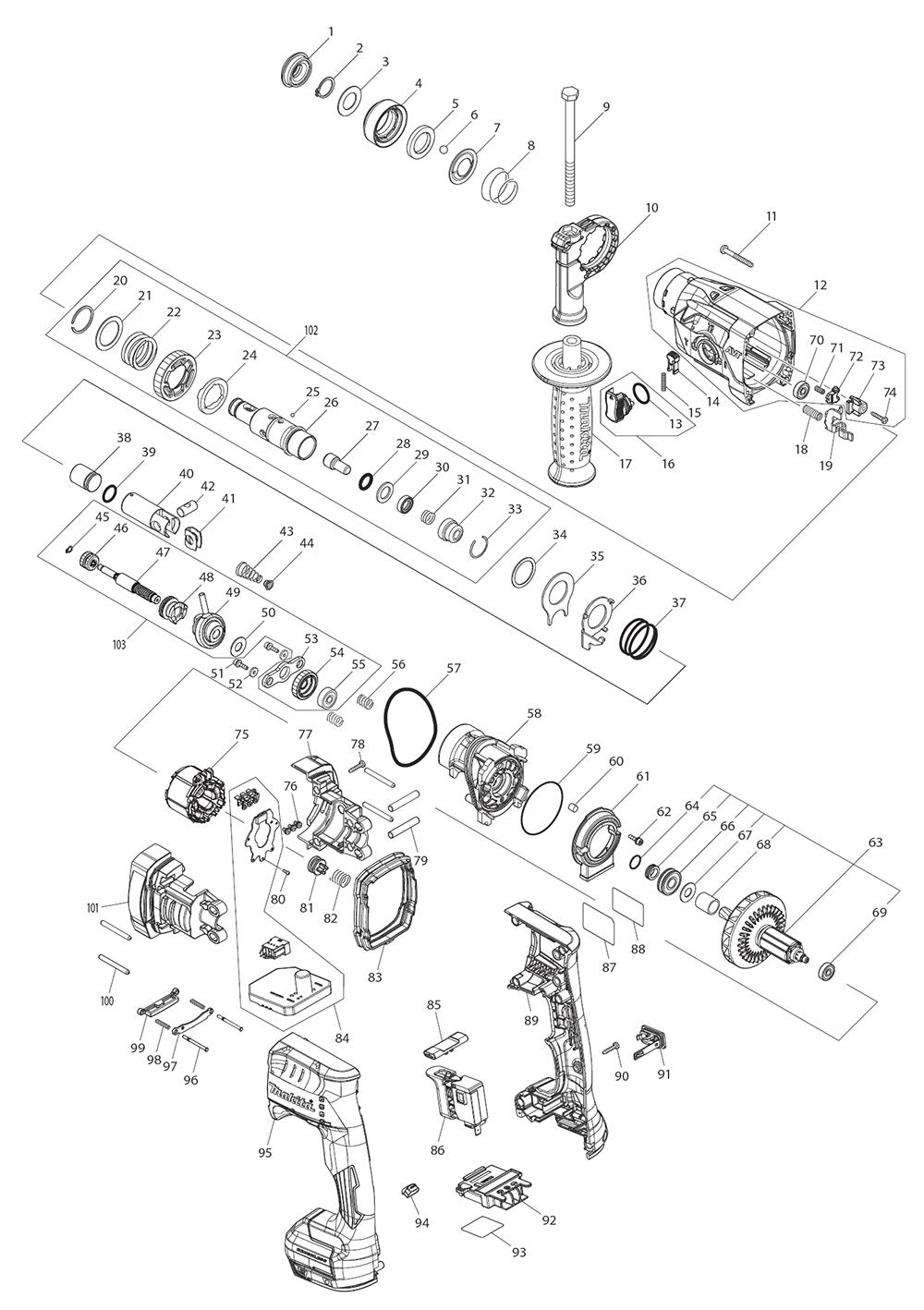
Cap 34, Rh01 286037-3 1Retaining Ring S-17, Ls1016l 961057-5 2Flat Washer 17, Rh01 253377-4 3Chuck Cover, Xrh12 458845-4 4Ring 21, Rh01 257416-2 5Steel Ball 7.0, Hr2400 216022-2 6Guide Washer, Lxrh01 346177-0 7Conical Comp. Spring 21-29, Rh01 232347-6 8Hex. Bolt M8 X 120, Hp2050f 921923-8 9Grip Base, Hr1830f 417911-6 10P.t. Screw 4x35, 4304 266053-1 11Gear Housing Ass'y, Xrh12 1360445 12O Ring 17,hr2450f 213278-8 13Lock Button, Xrh12 458851-9 14Compression Spring 3, Lxrh01 234264-6 15Change Lever Ass'y, Xrh12 136040-3 16Grip 36 Cpl., Hr2811f 158057-6 17Compression Spring 8, Xrh12 232473-1 18Change Plate B, Xrh12 347463-2 19Retaining (ext)wr-25, Hr1830f 961135-1 20Flat Washer 25, Hr1830f 267304-5 21Compression Spring 25, Hr1840 232360-4 22Spur Gear 44, Xrh12 226854-9 23Driving Flange, Hr1840 327039-1 24Steel Ball 3, Btd060z 216019-1 25Tool Holder, Hr1840 326886-7 26Impact Bolt, Hr1840 326887-5 27O Ring 11, Hr2410 213117-2 28Flat Washer 13, Hr1840 253380-5 29Ring 10, Hr1840 326888-3 30Compression Spring 10a, Hr1840 232357-3 31Cup Sleeve, Hr1840 327038-3 32Ring Spring 22, Hr1830f 233942-5 33Flat Washer 24, 6914dwa 267175-0 34Joint Plate, Hr1830f 345681-6 35Change Plate A, Xrh12 347462-4 36Comp. Spring 32, Hr1830f 233458-0 37Striker, Xrh12 327215-7 38O-ring 13, Hr1840 213832-8 39Piston Cylinder, Hr1840 326890-6 40Guide Plate, Hr1840 347127-8 41Piston Joint, Hr1830f 324612-8 42Conical Comp. Spring 6-13, Hr1840 232361-2 43Spring Guide, Hr1840 347130-9 44Retaining Ring S-5, 9564cvl 961008-8 45Spur Gear 12, Xrh12 226853-1 46Cam Shaft, Xrh12 327216-5 47Clutch Cam, Xrh12 327217-3 48Swash Bearing 9, Hr1840 219029-7 49F. Washer 9, Hr2432 253733-8 50H.s. Head Bolt M3x12 W/wrm, Rh01 251510-2 51Flat Washer 3, Xrh12 2533813 52Spring Plate, Xrh12 3471294 53Helical Gear 23, Hr1840 221496-4 54B. Bearing 626llb, 6300lr 211016-2 55Compression Spring 7, Xrh12 2323599 56O-ring 60, Hr1840 213833-6 57Inner Housing Cpl., Xrh12 140F85-1 58O Ring 51, Ga4542c 213641-5 59Filter, Hr3210c 443138-2 60Air Duct, Xrh12 458848-8 61H.s. Head Bolt M3x12 W/wrm, Rh01 251510-2 62Rotor Ass 519549-4 63O-ring 12, 5277nb 213118-0 64Ring 9, Xrh12 3272270 65Ball Bearing 609llu 210162-8 66Flat Washer 9, Hr2450f 267231-6 67Sleeve 12, Xrh12 4588412 68Ball Bearing 625ddw, Xrh12 2100355 69Ball Bearing 625ddw, Xrh12 2100355 70Compression Spring 4, Xrh12 2324749 71Lock Plate, Xrh12 3109130 72Stopper Plate, Xrh12 4588462 73Tapping Screw Pt3x16, 6233dwa 266130-9 74Stator, Xrh12 629393-2 75Flat Head Screw M3x6, Xdt12 652069-6 76Motor Housing Set, Xrh12 183L14-7 77Tapping Screw Pt3x16, 6233dwa 266130-9 78Pin 6, Lxmu02 268076-5 79Tapping Screw Pt 2x6, Xsf03 266490-9 80Spring Support, Xrh12 458847-0 81Compression Spring 10b, Xrh12 2323581 82Bellows, Xrh12 422354-9 83Controller, Xrh12 620995-7 84F/r Change Lever, Xrh12 458844-6 85Switch, Xrh12 651380-3 86Xrh12 Name Plate 855F51-2 87Clear Label 818N47-2 88Handle Set, Xrh12 183L12-1 89Tapping Screw Pt3x16, 6233dwa 266130-9 90Cap Complete 140F99-0 91Terminal, Xfd11 643874-2 92Xrh12 Serial No. Label 855F58-8 93Led Circuit, Xfd11 620549-0 94Handle Set, Xrh12 183L12-1 95Flat Fillister Head Pin 2.5, Xrh12 256586-4 96Guide Plate, Xrh12 458850-1 97Compression Spring 3, Xrh12 232475-7 98Shatter, Xrh12 458849-6 99Rod 4, Xrh12 256585-6 100Motor Housing Set, Xrh12 183L14-7 101Tool Holder Ass 1360411 102Cam Shaft Ass 136042-9 103
Página 1

Página 1


1
Imagen
Existencias
0
2
Imagen
Existencias
0
3.48
3
Imagen
Existencias
0
4
Imagen
Existencias
0
5
Imagen
Existencias
0
6
Imagen
Existencias
99
2.32
7
Imagen
Existencias
5
3.48
9
Imagen
Existencias
8
6.96
10
Imagen
Existencias
0
11
Imagen
Existencias
3
3.48
12
Imagen
Existencias
0
13
Imagen
Existencias
28
2.32
14
Imagen
Existencias
0
16
Imagen
Existencias
0
17
Imagen
Existencias
0
18
Imagen
Existencias
0
19
Imagen
Existencias
0
21
Imagen
Existencias
0
23
Imagen
Existencias
0
24
Imagen
Existencias
0
25
Imagen
Existencias
0
3.48
26
Imagen
Existencias
0
27
Imagen
Existencias
0
28
Imagen
Existencias
0
29
Imagen
Existencias
0
30
Imagen
Existencias
0
32
Imagen
Existencias
0
33
Imagen
Existencias
0
34
Imagen
Existencias
16
5.80
35
Imagen
Existencias
0
36
Imagen
Existencias
0
37
Imagen
Existencias
0
38
Imagen
Existencias
0
39
Imagen
Existencias
0
40
Imagen
Existencias
0
41
Imagen
Existencias
0
42
Imagen
Existencias
0
44
Imagen
Existencias
0
45
Imagen
Existencias
0
46
Imagen
Existencias
0
47
Imagen
Existencias
0
48
Imagen
Existencias
0
49
Imagen
Existencias
0
50
Imagen
Existencias
0
52
Imagen
Existencias
0
53
Imagen
Existencias
0
54
Imagen
Existencias
0
55
Imagen
Existencias
0
84.68
56
Imagen
Existencias
0
57
Imagen
Existencias
0
58
Imagen
Existencias
0
59
Imagen
Existencias
0
60
Imagen
Existencias
0
61
Imagen
Existencias
0
63
Imagen
Existencias
0
64
Imagen
Existencias
0
65
Imagen
Existencias
0
66
Imagen
Existencias
0
67
Imagen
Existencias
0
68
Imagen
Existencias
0
69
Imagen
Existencias
0
70
Imagen
Existencias
0
71
Imagen
Existencias
0
72
Imagen
Existencias
0
73
Imagen
Existencias
0
74
Imagen
Existencias
0
75
Imagen
Existencias
0
76
Imagen
Existencias
0
77
Imagen
Existencias
0
78
Imagen
Existencias
0
79
Imagen
Existencias
0
80
Imagen
Existencias
0
81
Imagen
Existencias
0
83
Imagen
Existencias
0
84
Imagen
Existencias
0
85
Imagen
Existencias
0
86
Imagen
Existencias
0
87
Imagen
Existencias
0
88
Imagen
Existencias
0
89
Imagen
Existencias
0
90
Imagen
Existencias
0
91
Imagen
Existencias
0
92
Imagen
Existencias
0
93
Imagen
Existencias
0
94
Imagen
Existencias
0
95
Imagen
Existencias
0
97
Imagen
Existencias
0
98
Imagen
Existencias
0
99
Imagen
Existencias
0
100
Imagen
Existencias
0
101
Imagen
Existencias
0
102
Imagen
Existencias
0
103
Imagen
Existencias
0
1
Imagen
Existencias
17
2.32
5
Imagen
Part # DC18RC
Existencias
24
1883.84
6
Imagen
Existencias
46
2832.72
10
Imagen
Existencias
9
2.32
10
Imagen
Existencias
0
10
Imagen
Existencias
10
2.32
20
Imagen
Existencias
0
20
Imagen
Existencias
0
30
Imagen
Existencias
0

Ocurrió un problema de conexión. Vuelve a cargar la página o revisa tu conexión.