Colores de la tienda

Aquí tienes algunos colores increíbles disponibles en la plantilla de la tienda online.

Zoom: 100%
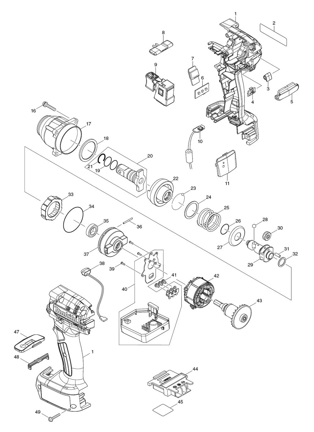
Housing Set 183M42-8 1Rubber Pin 6, Bhp452 263005-3 1Hex. Nut M3, Btd060z 931002-4 1Dtwa140 Name Plate 855V06-3 2Id Cover Black, Dtda140 459417-8 3Usb Cover Cpl., Dft085f 144709-5 4Lens, Dft085f 457484-7 5Led Circuit, Dtda100 620A98-3 6Buzzer Circuit, Dtda100 620A97-5 7F/r Change Lever, Xst01 455053-8 8Switch Cpl., Dtda100 140L08-5 9Switch Cover, Dtda100 422465-0 9Usb Circuit, Dtda100 620A99-1 10Cover, Dtda100 459403-9 11P.h. Screw M4 X 22, Bfh040 265145-3 16Retaining Ring R-26, 9036 962115-0 17Flat Washer 20, Dtwa190 253438-0 17O Ring 26, 4200h 213407-3 17Hammer Case A Cpl., Dtwa190 140L05-1 17Ball Bearing 6803llu, Dtwa190 210190-3 17Nylon Washer 30, Xdt16 2611605 18O-ring 15, An911h 213233-0 19Anvil, Dtwa190 136119-0 20Ring Spring, 6904 (type 1) 231907-1 21Hammer E, Dtwa140 327346-2 22Steel Ball 3.5, 6800dbv 216001-0 23Flat Washer 24, 6914dwa 267175-0 24Compression Spring 25 E, Dtwa140 232528-2 25O-ring 14, Dtda100 213541-9 26Cup Washer 14, Btd044 267851-6 27Steel Ball 5.6, 6222dwe 216011-7 28Spindle B, Dtda100 327355-1 29Spur Gear 16, Dtda100 226896-3 30Pin 3.5, 6805bv 256173-9 31Flat Washer 12, Hr2400 267104-3 32Internal Gear 39, Dtda100 226895-5 33O Ring 42, Ga4030 213561-3 34Ball Bearing 6801llb, Sc190dwde 211136-2 35Pin 2, Dtda100 256555-5 36Internal Gear Case, Dtda100 459400-5 37Led Circuit, Xdt12 620521-2 38Tapping Screw Pt 2x6, Xsf03 266490-9 39Controller, Dtwa140 620A34-9 40Flat Head Screw M3x6, Xdt12 652069-6 41Stator, Dtda100 629418-2 42Rotor, Dtda100 619574-6 43Terminal 643850-6 44Dtwa140 Serial No. Label 855V11-0 45Indication Label Black 819J55-2 47Switch Plate Black Cpl., Dtda140 140L12-4 47Stopper, Dtda100 459424-1 48Pan Head Screw M3x20, Dfl083f 251581-9 49
Página 1

Página 1


1
Imagen
Existencias
0
1
Imagen
Existencias
9
2.32
1
Imagen
Existencias
0
2
Imagen
Existencias
0
3
Imagen
Existencias
0
4
Imagen
Existencias
0
5
Imagen
Existencias
0
6
Imagen
Existencias
0
7
Imagen
Existencias
0
8
Imagen
Existencias
0
9.28
9
Imagen
Existencias
0
9
Imagen
Existencias
0
10
Imagen
Existencias
0
11
Imagen
Existencias
0
16
Imagen
Existencias
0
17
Imagen
Existencias
0
17
Imagen
Existencias
0
17
Imagen
Existencias
19
2.32
17
Imagen
Existencias
0
18
Imagen
Existencias
0
19
Imagen
Existencias
0
20
Imagen
Existencias
0
21
Imagen
Existencias
0
22
Imagen
Existencias
0
23
Imagen
Existencias
8
2.32
24
Imagen
Existencias
16
5.80
26
Imagen
Existencias
0
27
Imagen
Existencias
0
28
Imagen
Existencias
17
2.32
29
Imagen
Existencias
0
30
Imagen
Existencias
0
31
Imagen
Existencias
0
32
Imagen
Existencias
5
5.80
33
Imagen
Existencias
0
34
Imagen
Existencias
0
36
Imagen
Existencias
0
37
Imagen
Existencias
0
38
Imagen
Existencias
0
39
Imagen
Existencias
0
40
Imagen
Existencias
0
41
Imagen
Existencias
0
42
Imagen
Existencias
0
43
Imagen
Existencias
0
44
Imagen
Existencias
0
45
Imagen
Existencias
0
47
Imagen
Existencias
0
48
Imagen
Existencias
0
1
Imagen
Existencias
0
1
Imagen
Existencias
0
2
Imagen
Existencias
0
2
Imagen
Existencias
0
3
Imagen
Existencias
0
4
Imagen
Existencias
0
6
Imagen
Existencias
0
7
Imagen
Existencias
0

Ocurrió un problema de conexión. Vuelve a cargar la página o revisa tu conexión.