Colores de la tienda

Aquí tienes algunos colores increíbles disponibles en la plantilla de la tienda online.

Zoom: 100%
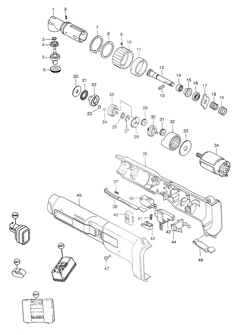
Head Cpl., 6702dw-t3 152558-6 1Spring Pin 3-6, 6702dw 258002-2 2Retaining Ring S-7, 6702dw 961023-2 3Bevel Gear 14, 6702d 221391-8A 4Spindle Complete, 6702dw . 152400-1A 5Bearing Retainer 13-23, 6706d 285671-6 6Retaining Ring S-34, 6702dw 961172-5 7Flat Washer 34, 6702dw 267093-2 8Screw M4x6,6702d 266025-6 9Change Ring, 6702dw,t2 415444-5 10Lock Sleeve Comp., 6702dw 152406-9 11Bevel Gear 13, 6702d 221390-0 12Key 4, 6702dw 254235-7 13N. Bearing 1212, 6702d 212104-8 14Spacer, 6702dw 343798-9 15Replaces 211061-7 - Ball Bearing 6000llb, 5740nb 211097-6 16Replaced By 211097-6 - B. Bearing 6000-2rs, 6222dwe 211061-7 16Slide Plate, 6706d 343897-7 17Compression Spring 15, 6702dw 233026-9 18Compression Spring 20, 6702dw 233027-7 19F. Washer 12, 5277nb 267024-1 20T.n. Gauge 1224, 6702d 216402-2 21Retainer, 6702dw 322493-4 22Pin 4, 6702dw 256217-5 23Steel Ball 6, 6702dw 216013-3 24Holder Complete, 6702dw 152399-0 25Lock Washer 10, 6702dw 253998-2 26Plate U, 6702dw 343945-2 27Plate, 6702dw 343896-9 28Spur Gear 28, 6702dw 226204-8 29Spur Gear 11 Comp., 6702dw 153196-7 30Spur Gear 28, 6702dw 226204-8 31Internal Gear 67, 6702dw 226205-6 32Flat Washer 12, 6222dwe 267067-3 33Dc Motor 9.6v, 6702dw 629624-9 34Housing Set, 6704dw 183057-7 35Compression Spring 2, Jr3050t 233025-1 37Lever, 6702dw 343898-5 38Switch, Uc120dwa 651942-7 39Switch Assy, 6043d 651889-5 40Switch Ass'y, 6806d 531086-8 40Compression Spring 4, 6702dw 233024-3 41Control Circuit, 6706d 631283-7 42Switch Lever, 6702dw 414752-1 43Battery Holder, Da392d 643909-9 44Housing Set, 6704dw 183057-7 45P.h. Screw M4x22, 6211d 911143-2 47Set Plate, 6704dw 344798-2 489.6v Ni-cad Battery 192019-4 400Battery Cover, 6222dwe 414938-7 401Fast Charger 9700 113122-8X 402Plastic Tool Case, 6706dw 824380-8 403
Página 1

Página 1


1
Imagen
Existencias
0
2
Imagen
Existencias
0
3
Imagen
Existencias
77
2.32
4
Imagen
Existencias
0
6
Imagen
Existencias
8
88.16
7
Imagen
Existencias
16
19.72
8
Imagen
Existencias
13
26.68
9
Imagen
Existencias
35
5.80
10
Imagen
Existencias
14
77.72
11
Imagen
Existencias
0
12
Imagen
Existencias
12
817.80
13
Imagen
Existencias
0
14
Imagen
Existencias
0
15
Imagen
Existencias
0
17
Imagen
Existencias
0
18
Imagen
Existencias
2
31.32
19
Imagen
Existencias
2
34.80
20
Imagen
Existencias
0
21
Imagen
Existencias
0
117.16
22
Imagen
Existencias
35
232.00
23
Imagen
Existencias
0
24
Imagen
Existencias
40
2.32
25
Imagen
Existencias
0
472.12
26
Imagen
Existencias
0
27
Imagen
Existencias
0
6.96
28
Imagen
Part # 3438969
Existencias
2
9.28
29
Imagen
Existencias
15
74.24
30
Imagen
Existencias
6
344.52
31
Imagen
Existencias
15
74.24
32
Imagen
Existencias
12
330.60
33
Imagen
Existencias
2
5.80
34
Imagen
Existencias
18
440.80
35
Imagen
Existencias
0
689.04
37
Imagen
Existencias
7
2.32
38
Imagen
Part # 3438985
Existencias
0
190.24
39
Imagen
Existencias
84
75.40
40
Imagen
Existencias
0
481.40
40
Imagen
Existencias
0
41
Imagen
Existencias
67
4.64
42
Imagen
Existencias
4
915.24
43
Imagen
Existencias
0
31.32
44
Imagen
Existencias
0
48.72
45
Imagen
Existencias
0
689.04
47
Imagen
Existencias
74
2.32
48
Imagen
Existencias
24
35.96
400
Imagen
Existencias
3
887.40
401
Imagen
Existencias
0
402
Imagen
Existencias
0
403
Imagen
Existencias
0

Ocurrió un problema de conexión. Vuelve a cargar la página o revisa tu conexión.